EasyManua.ls Logo

Alinco DR-620 - Mai N Schemati C Diagram; Frontschematic Diag Ram; Front Block Diagram

Alinco DR-620
56 pages
Print Icon
To Next Page IconTo Next Page
To Next Page IconTo Next Page
To Previous Page IconTo Previous Page
To Previous Page IconTo Previous Page
Loading...
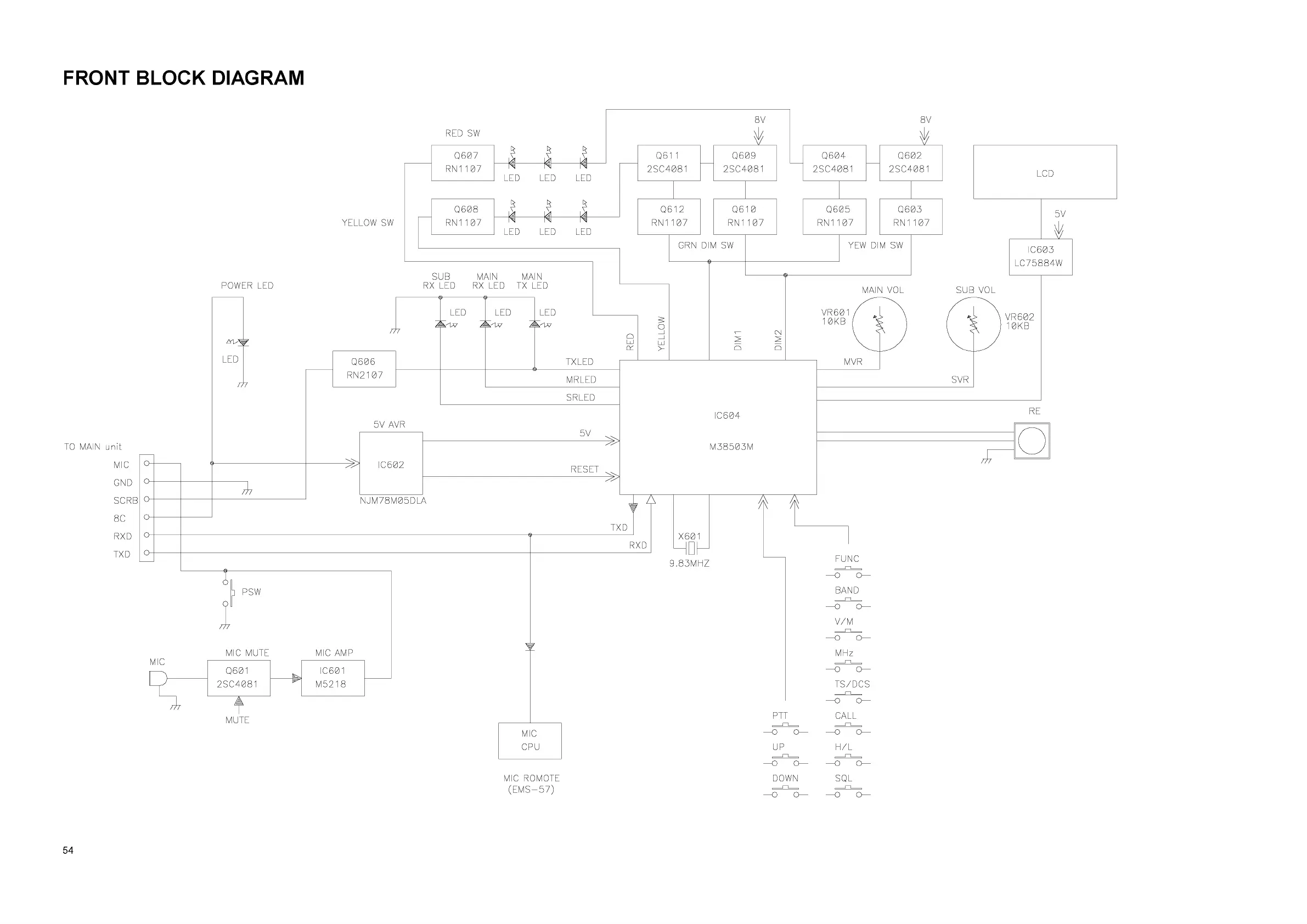
FRONT BLOCK DIAGRAM
M IC R O M O TE
(E M S 5 7 )
D O W N S Q L
54

Table of Contents

Related product manuals