EasyManua.ls Logo

Alinco DR-620 - Lc75884 W (Xa0899)

Alinco DR-620
56 pages
Print Icon
To Next Page IconTo Next Page
To Next Page IconTo Next Page
To Previous Page IconTo Previous Page
To Previous Page IconTo Previous Page
Loading...
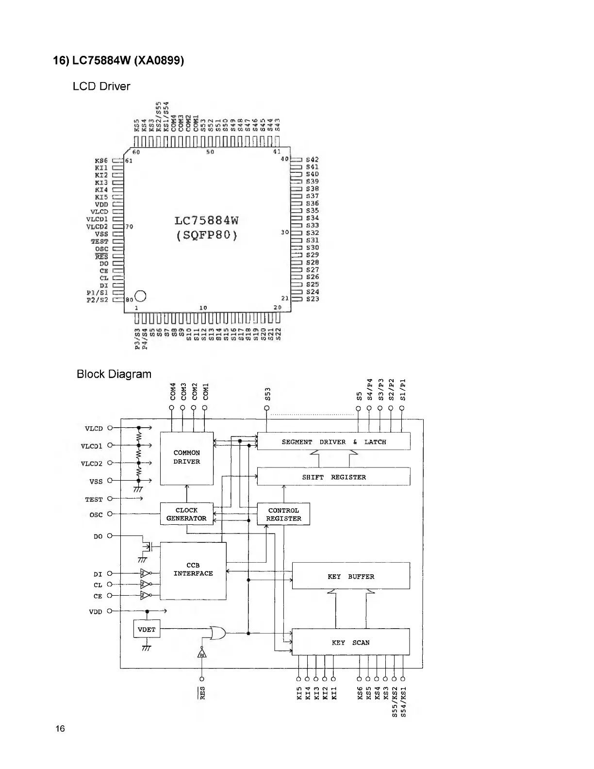
LCD Driver
16) LC75884W (XA0899)
*n 'J'
in m
vt in
-c m fN -<
in Tf fo fs h j; £ E E f O iN H ü t n c c ^ y M n '# ^
[/) ui tu m u O O O o m m u -u r j^ j'-îï^ r ^ j'- ïj'^ iT
i i W K K i iU U U U i O t i f l n n w w w w w u j u )
nnnnnnnnnnnnnnnnnnnn
/ fiO 50 41
KS6 \= Z 61
AO
t z i S 4 2
K I1 t= Z
S4 1
K I2 C =
} S4G
K I 3
E = l S 3 9
K I4 C =
= Z I S 3 8
K I5 CT!
= ) S 3 7
VDD E =
ZI S 3 6
VLC D 1ZZ
z n S 3 5
V L C D l C Z
VLC D 2 i =
70
LC75884W
= 1 S 3 4
= 1 S 3 3
VSS EZZ
TE S T 1 =
(SQFP80)
30
= J S 3 2
= ] S 3 1
OSC C Z
= S 3 0
RES C Z
n : S 29
d o i n :
5 2 9
CE 1 =
m S 2 7
CL C Z
^ S 2 6
D i c n
= 3 £ 2 5
P l / S l c =
aoO
S2 4
P 2 /S 2 c z :
21
= 3 S 23
1 10
20
UUUUUUUUUUUUUUUUUWLIU
v.-^ w w M w w n t n t o w w u i u l i / )
cO **
A ft
Block Diagram
co (N
S 2
o o
u u
O O O
^ ro CN I)
P4 P4 Al Ai
\ \ \ \
in ^ m fN >h
co co co co co
0 0 0 0 0
DO O-
D I O-
CL O -
CE O -
VDD O
COMMON
D R IV ER
CLOCK
GENERATOR
CCB
IN T E R F A CE
VDE T
h
SEGMENT D R IV ER & LATCH
S H IF T R EG IS TE R
CONTROL
R E G IS T E R
KEY
BUFFER
KEY SCAN
Ô Ô Ô Ô Ô
in n (N h
H H H H H
« « « « «
Ô Û Ô Ô Ô Ô
vo in (*) in h
co co co co co co
« « W w U5 W
N X
in
in in
co co
16

Table of Contents

Related product manuals