EasyManua.ls Logo

Alinco DR-620 - M 64076 Ag P (X a 0 9 1 5 )

Alinco DR-620
56 pages
Print Icon
To Next Page IconTo Next Page
To Next Page IconTo Next Page
To Previous Page IconTo Previous Page
To Previous Page IconTo Previous Page
Loading...
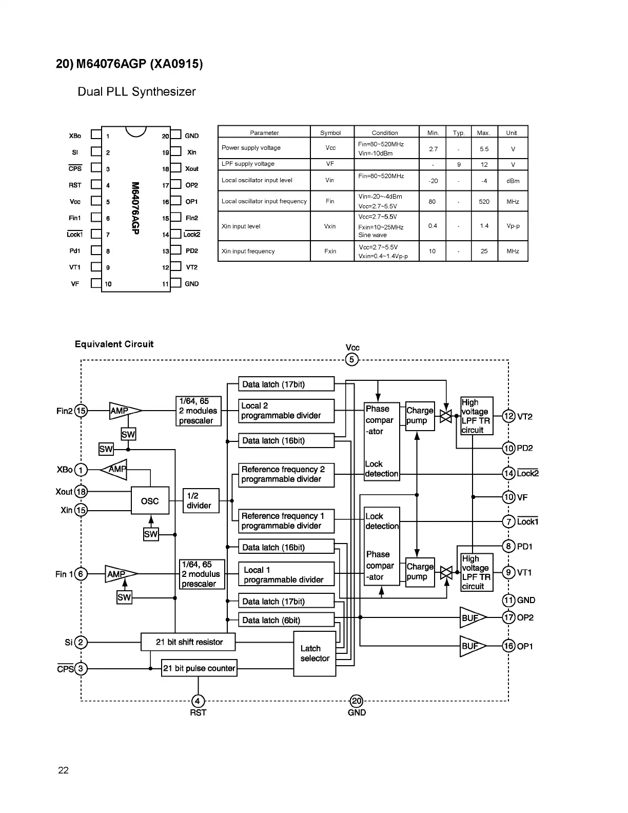
2Ü) M64Ü76ÄGP (XÄÜ915)
Dual PLL Synthesizer
XBo
1
20
GND
SI
2 19
Xin
CPS
3 18
Xout
RST
4
s
o>
17
OP2
Vcc
5
o
>1
16
OP1
Fini
6
O)
"Ö
15
Fin2
Lockl
7 14
Lock2
Pd1
8 13
PD2
VT1
9
12
VT2
VF
10 11
GND
Parameter Symbol Condition Min. Typ. Max. Unit
Power supply voltage Vcc
Fin=a0~520MHz
Vin=-10dBm
2.l 5.5 V
LPF supply voltage VF
9 12 V
Local oscillator input level Vin
Fin=a0~520MHz
-20 -4 dBm
Local oscillator input frequency Fin
Vin=-20~-4dBm
Vcc=2.l~5.5V
80 520 MHz
Xin input level Vxin
Vcc=2.l~5.5V
Fxin=10~25MHz
Sine wave
0.4 1.4
Vp-p
Xin input frequency Fxin
Vcc=2.l~5.5V
Vxin=0.4~1.4Vp-p
10 25 MHz
Equivalent Circuit
Fin2(Í5)
--------
[a MP~>»
SW
SW
XBo (T )
-----
<^MP
Xout (18)-
X in ^i)-
SW
Fin 1(6 i
SW
s i ® -
I
CPS (3)-
1/64, 65
2 modules
prescaler
1/2
osc
divider
1/64, 65
2 modulus
prescaler
Data latch (17bit)
Local 2
programmable divider
Data latch (16bit)
Reference frequency 2
programmable divider
Reference frequency 1
programmable divider
Data latch (16bit)
Local 1
programmable divider
Data latch (17bit)
Data latch (6bit)
21 bit shift resistor
21 bit pulse counter
" (d ) "
RST
Latch
selector
(ij)G N D
BU£>
------
(¡7)0P2
GND
22

Table of Contents

Related product manuals