EasyManua.ls Logo

Allison B 300 - Engine Brake;Preselect Request and Engine Brake Enable (European)

Allison B 300
396 pages
Print Icon
To Next Page IconTo Next Page
To Next Page IconTo Next Page
To Previous Page IconTo Previous Page
To Previous Page IconTo Previous Page
Loading...
WTEC II ELECTRONIC CONTROLS TROUBLESHOOTING MANUAL
P–10 Copyright © 1998 General Motors Corp.
APPENDIX P — INPUT/OUTPUT FUNCTIONS
WARNING!
These schematics show the intended use of the specified controls features which
have been validated in the configuration shown. Any miswiring or use of these
features which differs from that shown could result in damage to equipment or
property, personal injury, or loss of life. ALLISON TRANSMISSION IS NOT
LIABLE FOR THE CONSEQUENCES ASSOCIATED WITH MISWIRING
OR UNINTENDED USE OF THESE FEATURES.
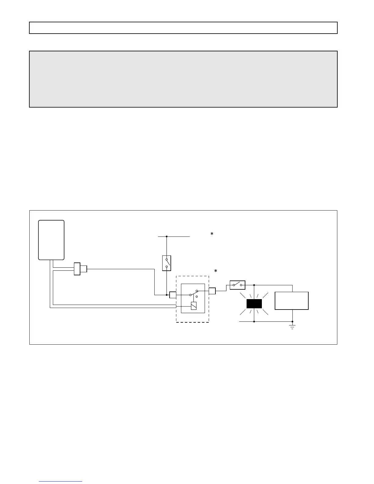
ENGINE BRAKE/PRESELECT REQUEST AND ENGINE BRAKE ENABLE
(EUROPEAN)
USES:
Used with engine exhaust brakes to provide a signal to the ECU that the brake is active and to provide
increased braking by preselecting a lower range. Also prevents engagement of engine brake with throttle >
0 or lockup OFF.
VARIABLES TO SPECIFY:
Preselect range. Standard value is second range for exhaust style brake and fourth
for compression style brake.
VOCATIONS:
Various
Figure P–10. Engine Brake/Preselect Request and Engine Brake Enable (European)
E2
NC
COM
VIM
ENGINE BRAKE
DASH SWITCH
DASH
LIGHT
ENGINE THROTTLE
ENABLE SWITCH
Relay shown de-energized
SWITCHED
POWER
ENGINE
BRAKE
NO
E3
V05015
BRAKE
ON
NOTE: This switch is part of the engine brake system and
provides an indication when the engine is at closed throttle.
This switch, or an equivalent control feature, is recommended
for all installations.
WIRE 119
ENGINE BRAKE AND
PRESELECT REQUEST
WIRE 132
ENGINE BRAKE ENABLE OUPUT
3
VIW
CONNECTOR
ECU

Table of Contents

Related product manuals