EasyManua.ls Logo

Allison B 300 - Automatic Neutral for Refuse Packer;Pto Enable W Service Brake Status

Allison B 300
396 pages
Print Icon
To Next Page IconTo Next Page
To Next Page IconTo Next Page
To Previous Page IconTo Previous Page
To Previous Page IconTo Previous Page
Loading...
Copyright © 1998 General Motors Corp. P–29
WTEC II ELECTRONIC CONTROLS TROUBLESHOOTING MANUAL
APPENDIX P — INPUT/OUTPUT FUNCTIONS
WARNING!
These schematics show the intended use of the specified controls features which
have been validated in the configuration shown. Any miswiring or use of these
features which differs from that shown could result in damage to equipment or
property, personal injury, or loss of life. ALLISON TRANSMISSION IS NOT
LIABLE FOR THE CONSEQUENCES ASSOCIATED WITH MISWIRING
OR UNINTENDED USE OF THESE FEATURES.
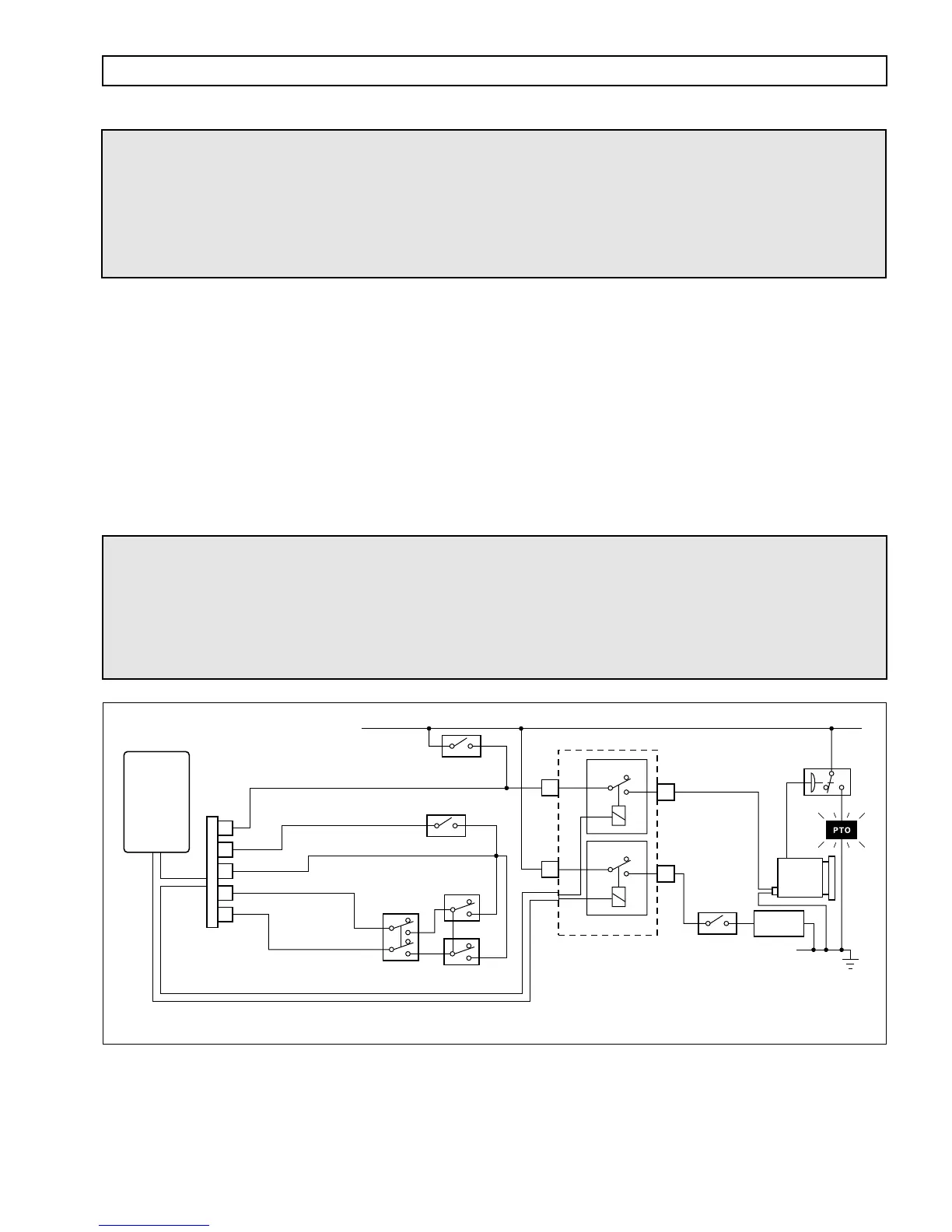
AUTOMATIC NEUTRAL FOR REFUSE PACKER AND PTO ENABLE WITH SERVICE
BRAKE STATUS
USES: Provides for automatic selection of NEUTRAL and activation of fast idle when loading arm is activated.
Automatically re-engages transmission when loading arm is retracted if service brake is depressed.
VARIABLES TO SPECIFY: Max output rpm to enable Neutral, max engine rpm for PTO engagement,
max engine rpm for PTO operation, max output rpm for PTO engagement, max output rpm for PTO
operation.
VOCATIONS: Refuse packer, recycling truck
Figure P–28. Automatic Neutral for Refuse Packer and PTO Enable With Service Brake Status
WARNING!
This feature is meant to be used in applications where the vehicle operator
remains in the cab. If the operator leaves the vehicle, the park brake must be
engaged and Neutral must be selected prior to the operator exiting the cab. In
addition, vehicles using this feature must have the following Warning sticker
visible in the vehicle cab: “WARNING: Set Park Brake and select Neutral before
exiting cab!”
V05032
WIRE 161B
SIGNAL GROUND
WIRE 117
PACK ENABLE
WIRE 112 PTO ENABLE OUTPUT
WIRE 114 NEUTRAL INDICATOR FOR PTO
WIRE 153
AUTO NEUTRAL
PACKER INPUT
AUTO NEUTRAL
DASH SWITCH
Switch opens when
arm is fully down
Switch opens
when rail is fully
retracted
PTO
SWITCH
SWITCHED
POWER
Relays shown de-energized
A2
112
114
NC
COM
VIM
NO
NC
COM
NO
A3
F2
F3
FAST IDLE
SOLENOID
DASH
LIGHT
PTO
PRESSURE
SWITCH
PTO
FAST IDLE
CONTROL
BRAKE PEDAL
SWITCH
Closed = Brakes On
WIRE 118
PTO ENABLE INPUT
WIRE 137
SERVICE BRAKE STATUS
NOTE: Transmission shifts to neutral when either rail
switch or arm switch is closed (if other conditions are
satisfied). Transmission shifts back to drive if both
switches open, service brake switch is closed, and
other conditions are satisfied.
8
16
13
5
2
VIW
CONNECTOR
ECU
WARNING!
These schematics show the intended use of the specified controls features which
have been validated in the configuration shown. Any miswiring or use of these
features which differs from that shown could cause unintended selection of range
or other unpredictable operation resulting in damage to equipment or property,
personal injury, or loss of life. ALLISON TRANSMISSION IS NOT LIABLE
FOR THE CONSEQUENCES ASSOCIATED WITH MISWIRING OR
UNINTENDED USE OF THESE FEATURES.

Table of Contents

Related product manuals