EasyManua.ls Logo

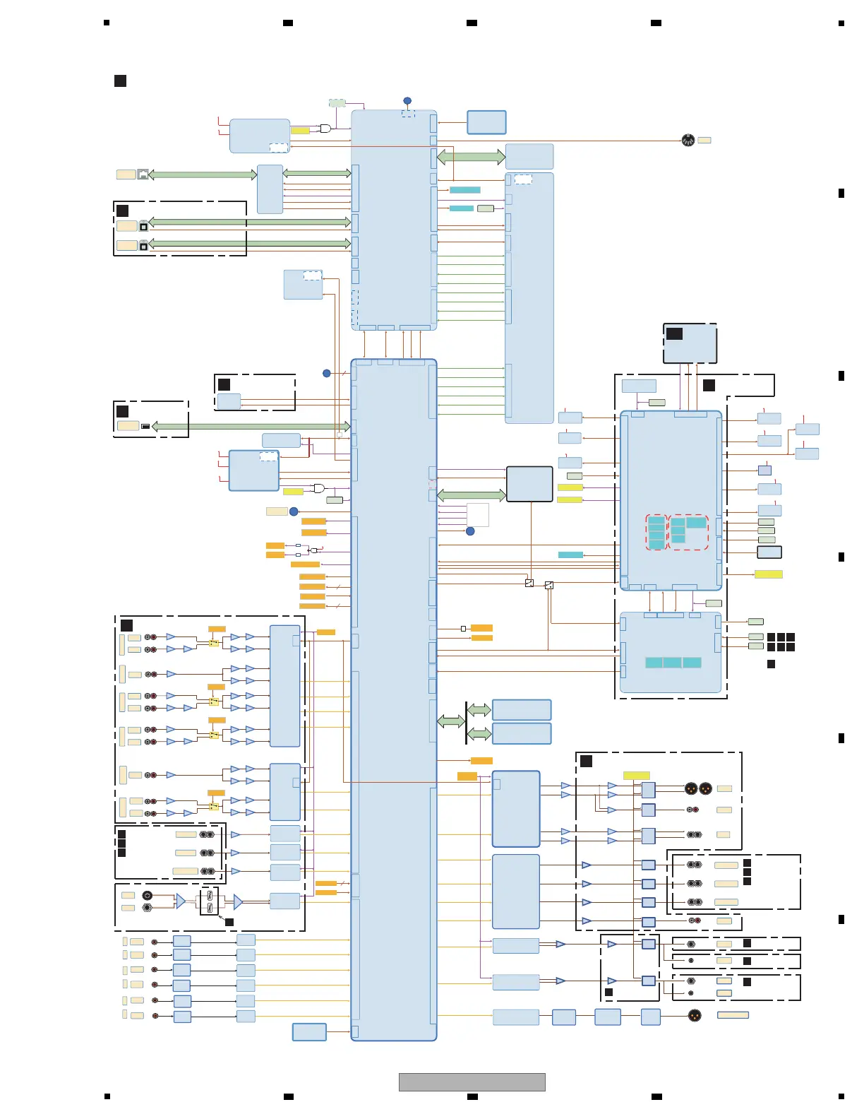
AlphaTheta DJM-V10 - OVERALL BLOCK DIAGRAM

AlphaTheta DJM-V10
124 pages
Print Icon
To Next Page IconTo Next Page
To Next Page IconTo Next Page
To Previous Page IconTo Previous Page
To Previous Page IconTo Previous Page
Loading...
15
DJM-V10
5
6 7 8
5
6 7 8
A
B
C
D
E
F
4.3 OVERALL BLOCK DIAGRAM
IC8406
PNL1 UCOM (EUP)
DYW2191
24MHz
IC8409
PNL2 UCOM (SUB)
DYW2192
24MHz
IC401
USB/ETHER UCOM
AM3352BZCZA100@V
1GHz
IC1901
SUB DSP (SRC)
D810K013DZKB456
456MHz
MAIN CPU/DSP
IC1101
66AK2G12ABYA100
IC402
PMIC(AM3352)
TPS65910A31A1RSL
LINE
IC1001
PMIC(66AK)
TPS65911AA2ZRC
IC2002
CLK GEN IC
SI5351C-B03300
IC701
DDR3 SDRAM
(DDR3-1600 1Gbit)
K4B1G1646I-BYMA
CH1
PHONO
DIN1
LINE
CH2
PHONO
DIN2
LINE
CH3
PHONO
DIN3
LINE
CH4
PHONO
DIN4
LINE
CH6
CH1 DIR
IC2606
AK4113VF
CH1-4 ADC
IC4701
AK5578EN
EXT1(RETURN)
MIC1
MIC2
RJ45 Conn.
USB2.0HS
Type-B Conn.
USB2.0HS
Type-B Conn.
McASP1
McASP2
McASP2
McASP1
McASP0
McASP0
USB2.0HS
Type-A Conn.
IC3152
Highside SW
TPS2557DRB
IC1402
DDR3L SDRAM
(DDR3L-1866 1Gbit)
MT41K64M16TW107AIT
IC1403
DDR3L SDRAM
(DDR3L-1866 1Gbit)
MT41K64M16TW107AIT
IC806
FLASH ROM(16Mb)
(SPI Serial NOR FLASH)
DYW2189
3.5inch LCD
AM_xRST
PWRHOLD
V+1R83_AM_RTC
NRESPWRON
PMIC_XINT
PORz
INT1
IC903
LAN PHY
LAN8720A-CP
RMII
100Base-TX (Differential 100Ω)
I2C
GEMAC
PHY_MDIO
LAN_XRST
NRST
MDIO
LAN_XINT
LAN_LINKST
INTB/PMEB
CH2 DIR
IC2607
AK4113VF
CH3 DIR
IC2703
AK4113VF
CH4 DIR
IC2704
AK4113VF
CH5-6 ADC
IC4801
AK5574EN
LINE
MASTER/BOOTH DAC
IC2101
ES9016SD1
Relay
MUTE
MASTER1
Tr
MUTE
MASTER2
Tr
MUTE
BOOTH
Tr
MUTE
EXT1(SEND)
Tr
MUTE
HP A
HP A MINI
Relay
MUTE
Relay
MUTE
HP B
HP B MINI
DOUT SRC
IC2902
CS8421-CZ
Pulse Trans
VL2901
DIGITAL MASTER OUT
REC
Tr
MUTE
USB2.0 HighSpeed (Differential 90Ω)
USB2.0 HighSpeed (Differential 90Ω)
USB0 (USBB)
USB1 (USBA)
VBUS_USBB
VBUS_USBA
16bit data bus
Data speed 800MHz
I2C2
EMIF (DDR3)
UART4
UART2
MIDI
SCIF7
GPIO
McSPI1(M)
McSPI0(M)
IC1504
Authentication Coprocessor
H337S3959
SPI (for SDSP BOOT)
SPI (CS1)
McSPI0(S)
McSP1I(S)
SPI_AM_BOOT
I2C1
I2C
I2C0
V+5D_MDSP_CONT
DC/DC Conv.
6slot TDM
PC1 OUT_CH1/CH2/CH3
PC1 OUT_CH4/RTN
PC1 IN_CH1/CH2/CH3
PC1 IN_CH4/SND/REC
PC2 OUT_CH1/CH2/CH3
PC2 OUT_CH4/RTN
PC2 IN_CH1/CH2/CH3
PC2 IN_CH4/SND/REC
PC1 IN_CH1/CH2/CH3
PC1 IN_CH4/SND/REC
PC2 IN_CH1/CH2/CH3
PC2 IN_CH4/SND/REC
PC OUT_CH1/CH2/CH3
PC OU
T_CH4/RTN
McSPI0_1
McSPI1(M)
McSPI0(S)
McASP1
UPD_MDSP_AM
USB2.0 HighSpeed (Differential 90Ω)
USB
I2C
UART2
McSPI3(M)
SPI for DIT
NRESPWRON2
PORz
PWRHOLD
V+1R83_MDSP_RTC
MDSP_xRST
GPIO
GPIO
Display CLK, data, SYNC
DSS
EMIF(DDR3L-1066)
32bit
16bit
16bit
QSPI
QSPI
SPI (CS0)
RESETFULLn
I2C0
INT1
PMIC_MDSP_xINT
SLEEP
PMIC_SLEEP
RESETn
LRESETn
LRESETNMIENn
TP
for Debug
GPIO
MDSP_RSTFULLn
MDSP_RSTn
6slot TDM
6slot TDM
6slot TDM
6slot TDM
6slot TDM
6slot TDM
6slot TDM
6slot TDM
6slot TDM
6slot TDM
6slot TDM
6slot TDM
6slot TDM
CH1_ANA_DATA
McASP0
DIN5
CH5 DIR
IC2803
AK4113VF
DIN6
CH6 DIR
IC2804
AK4113VF
CH1_DIGI_DATA
CH2_DIGI_DATA
CH3_DIGI_DATA
CH4_DIGI_DATA
CH5_DIGI_DATA
CH6_DIGI_DATA
MIC1_2_DATA
MIC ADC
IC5203
AK5358AET
I2C1
McASP0
MASTER_OUT_DATA
BOOTH_OUT_DATA
SND1_OUT_DATA
SND2_OUT_DATA
HP_A_DATA
HP A DAC
IC2502
AK4382AVT
HP B DAC
IC2501
AK4382AVT
HP_B_DATA
RECOUT_DATA
D_OUT_DATA
REGOFF#
PHY_MDC
DRIVER
IC2905
ADM3485ARZ
TURU_D-OUT
MIDI OUT
McSPI2(M)
GPIO
V+3R8D_AM
VCC7
V+5D_MDSP
VCC7
V+5D_MDSP
GPIO
GPMC
LED
(except
STBYLED)
CHF
SCIF6(M)
KEY
VOL
SW
GPIO
IC8407
RESET IC
PST8430N
RESETz
Power
Monitor
MUTE
RESET
CRF
(Mgvel)
X-PAD
(TouchPanel)
SCIF0(S)
GPIO
GPIO
V+3R8D_AM_CONT
RESETz
GPIO
DC/DC Conv.
V+3R8D_AM
SPI (CS0)
MASTER+
MASTER-
BTH+
BTH-
SND1
SND2
CH5
MIC1(mono)
RTN1
RTN2
CH6+
CH6-
CH5+
CH5-
CH4+
CH4-
CH3+
CH3-
CH1+
CH1-
CH2+
CH2-
USBPSW_FAULT
USBPSW_EN
SPI (CS1)
SPI (CS0)
EUP
(STBY LED)
TOUCH PANEL
SCIF6(S)
LED
CHF
CRF
ADC
VOL
SW
Power
monitor
KEY
ADC
GPIO
FAULT_DET
GPIO
SCIF0(S)
UART (FADER & Communication)
D-OUT_SRC/DIT_xRST
DIR_XRST
DIR_XRST
D-OUT_SRC/DIT_xRST
THRU_D-OUT
DOUT DIT
IC2904
AK4104ET
D-IN_SRC_XRST
IC1502
FLASH ROM (64Mb)
(SPI Serial NOR FLASH)
DYW2190
ADC/DAC_XRST
DAC_XRST
DAC_xRST
ADC_XRST
ADC_XRST
TC7SH08FUS1
V+3R3D
RESETz
SDSP_XRST
AM_SDSP_XINT
AM_SDSP_RDY
GPIO
GPIO
GPIO
GPIO
DIGI_P-CON
PNL1_XRST
AC_OFF_DETECT
ANA_P_CON
CH*_SEL
4 (CH1,3,4,6)
CH1_SEL
CH3_SEL
CH4_SEL
CH6_SEL
MUTE (output)
MUTE Circuit (output)
MDSP_BOOTCOMP
MDSP_XRST
MDSP_XRST
PMIC_MDSP_xRST
JTAG
JTAG
JTAG
JTAG
BOOTCOMPLETE
GPIO
AM_OFF
AM_OFF
GPIO
SPI (CS0)
SPI (CS1)
GPIO
PNL1_PNL2_RDY
MDSP_PNL1_RDY
MDSP_AM_RDY
V+3R3D_MDSP
V+3R3D_MDSP_CONT
AM_XRST
AM_XRST
McSPI0(M)
DC/DC Conv.
UART1
6 (CH1~CH6)
DIR_CS*
I2C
I2C
I2C
CH1 SRC
IC2610
CS8421-CZ
CH2 SRC
IC2611
CS8421-CZ
CH3 SRC
IC2705
CS8421-CZ
CH4 SRC
IC2706
CS8421-CZ
CH5 SRC
IC2805
CS8421-CZ
CH6 SRC
IC2806
CS8421-CZ
GPIO
RTN*_DET
3
JTAG
TRSTZ
TRSTZ
JTAG_AM_TRSTZ
TRSTZ
JTAG_SDSP_TRSTZ
RESETSTAT
I2C2
GPIO
LCD_XCS
LCD_XRST
V+3R3D_MDSP
VCC5
GPIO
DC/DC Conv.
V+3R3D
DC/DC Conv.
V+1R285
V+3R3D_CONT
V+1R285D_CONT
Reg
V+3R3A_MDAC
Reg
V+1R2A_MDAC
MDAC_V_CONT
UART0
TP
for Debug
TXD/RXD/CTS/RTS
4
D-IN_SRC_XRST
MIC2(mono)
D-OUT_CLK_CLR
UPD_PNL1_MDSP
UPD_PNL1_PNL2
Tr
V+12LCDBL_CONT
DC/DC Conv.
V+5D_CONT
LDO
V+2R5D_CONT
V+12LCDBL
V+5D_CONT
V+2R5D_CONT
SPI for DIR
R
Chip address
0x2D
MFI_XRST
Chip address
0x2D
Chip address
0x60
Chip address
0x70
V+5D_MIDI_CONT
AM_MDSP_XINT
R
MDSP_PNL1_XINT
SPI (CS1)
MDSP_PNL2_XINT
MDSP_PNL2_RDY
SPI(for Parameter)
SPI( for LCD BOOT & PNL1)
CPU_MUTE
MUTE Circuit (output)
PNL2_RST
RTN1_DATA
CLKGEN1_XOEB
RETURN ADC
IC4902
PCM1803ADB
RTN3
SEND/REC DAC
IC2401
AK4359AVF
SND3_OUT_DATA
Tr
MUTE
SND3
REC
RETURN ADC
IC5002
PCM1803ADB
RETURN ADC
IC5003
PCM1803ADB
BTH_R_DET
TP
Pulled up to
V+3R3D_MDSP
GPIO
LCD_XCS
SPI( update only)
TP
for MAC address
Writing
MDSP_OFF
AM_OFF
EXT2(RETURN)
MULTI I/O(RETURN)
CH1CH2CH3CH4
CH5
CH6
CH2_ANA_DATA
CH3_ANA_DATA
CH4_ANA_DATA
CH5_ANA_DATA
CH6_ANA_DATA
RTN2_DATA
RTN3_DATA
EXT2(SEND)
MULTI I/O(SEND)
MAIN ASSY
F
SW POWER
SUPPLY
AG
USBB ASSY
H
USBA ASSY
I
AOUT ASSY
O
USBP ASSY
J
UCOM ASSY
Q
AIN ASSY
A
SNRT1 ASSY
B
SNRT2 ASSY
C
SNRT3 ASSY
D
MTRM ASSY
E
SNRT1 ASSY
B
HPJK ASSY
HPJM ASSY
L
M
HPJC ASSY
N
HPPW ASSY
K
SNRT2 ASSY
C
SNRT3 ASSY
D
CHF1 - 6 ASSY
R S T
U
CRFB ASSY
Y
V W

Related product manuals