EasyManua.ls Logo

American Eagle 30P - Hydraulic Circuit Diagrams

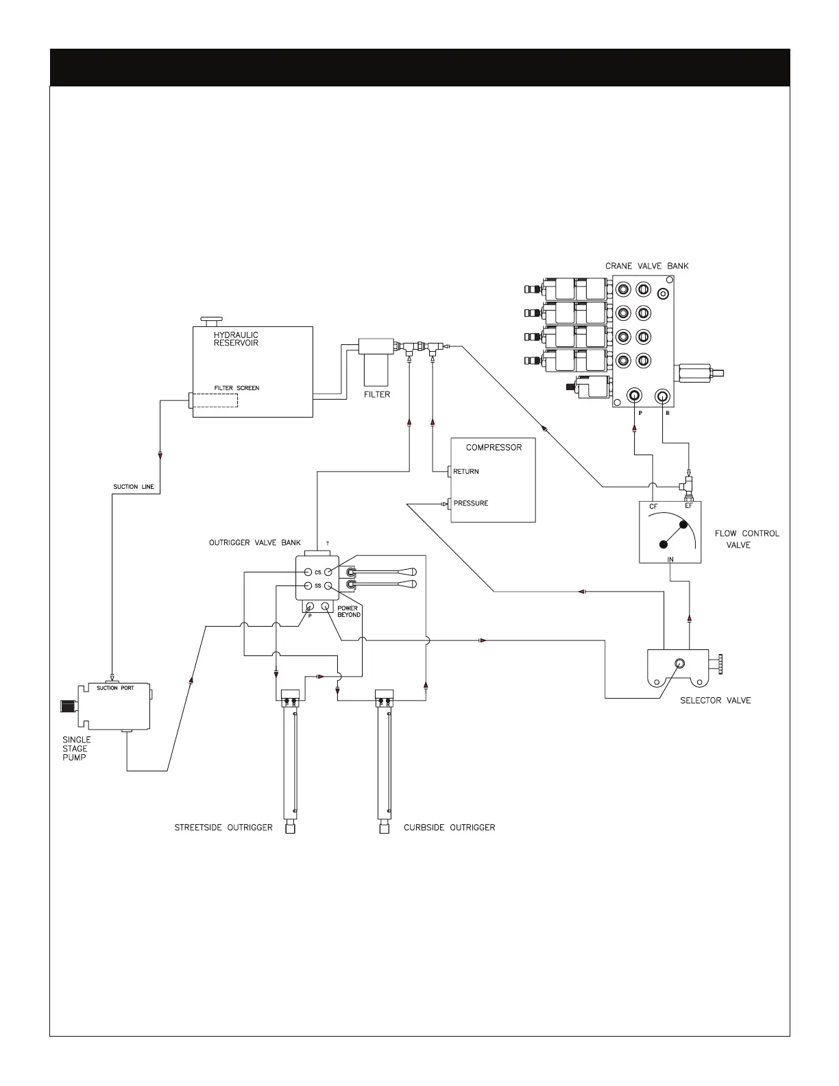
American Eagle 30P
28 pages
Print Icon
To Next Page IconTo Next Page
To Next Page IconTo Next Page
To Previous Page IconTo Previous Page
To Previous Page IconTo Previous Page
Loading...
Page 8 | American Eagle
®
30P Compressor Manual
Typical Hydraulic Circuit for Single-Section Pump
PN 30533

Related product manuals