EasyManua.ls Logo

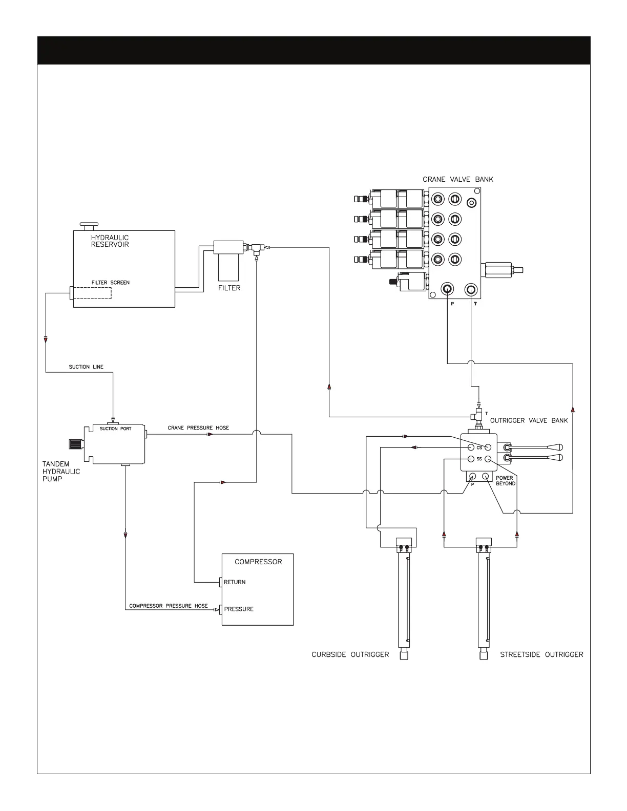
American Eagle 30P - Typical Hydraulic Circuit for Tandem (Two Part) Pump

American Eagle 30P
28 pages
Print Icon
To Next Page IconTo Next Page
To Next Page IconTo Next Page
To Previous Page IconTo Previous Page
To Previous Page IconTo Previous Page
Loading...
American Eagle
®
30P Compressor Manual | Page 9
Typical Hydraulic Circuit for Tandem (Two Part) Pump
PN 30532

Related product manuals