EasyManua.ls Logo

American Eagle 30P - SUH-60 Compressor Assembly

American Eagle 30P
28 pages
Print Icon
To Next Page IconTo Next Page
To Next Page IconTo Next Page
To Previous Page IconTo Previous Page
To Previous Page IconTo Previous Page
Loading...
Page 14 | American Eagle
®
30P Compressor Manual
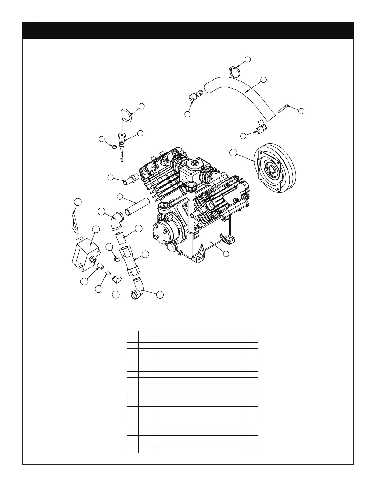
.YTQNOITPIRCSEDTRAPMETI
1PN6IWC084V RSRPC8684C1
222686 HANDLE DIPSTICK OIL CHECK V480 1
1)063V/032V( KCITSPID938223
1211-GNIR'O1400C4
5C2279 FTG HOSE BARB 0.50 HOSE X 0.50 MNPT 2
6C6235 FTG BRASS ELL 90 DEG A/C 2
100.21X36.0 ESOH691527
2SS 8# PMALC ESOH5664C8
1403 SS 00.4X57.0 ELPPIN878329
1SSARB WOBLE 57.0 GTF6621D01
11 D1264FTG 0.75-CLOSE RED BRASS NIPPLE 1
12 5480 VALVE CHECK 0.75 STANDARD1
13 D1267FTG .75X90 DEG ST EL BRASS 441641
14 C4692FTG 0.75 JIC-ML NPT 12CTX 90 DEG EL 1
15 C0863SWITCH PRES COMPRESSOR 1
16 C5559FTG ADAPT 1/8ML-1/4FM NPT 1404-2-41
1ELPPIN XEH 52.0 GTF6755C71
1SEE PAGE 22 FOR CLUTCH OPTIONS81
19 D0240FTG ELL 0.13 CPRSN TUBE TO NPT1
20 25448TUBE COPPER 0.25X9.00 SUH-60 1
18
8
6
7
8
6
2
3
4
20
10
9
5
11
12
13
14
16
17
15
19
1
COMPRESSOR ASSEMBLY
SUH-60 Compressor Assembly

Related product manuals