EasyManua.ls Logo

AOR AR5000A - Trouble Shooting (continued); AF.SET INT;EXT; What Next - Dealer Support; Power-up Special Key Sequences

AOR AR5000A
81 pages
Print Icon
To Next Page IconTo Next Page
To Next Page IconTo Next Page
To Previous Page IconTo Previous Page
To Previous Page IconTo Previous Page
Loading...
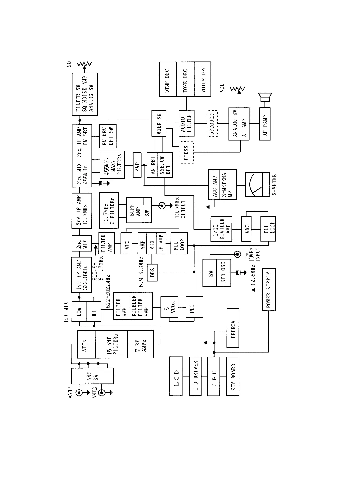
AR5000 OPERATING MANUAL PAGE 77

Table of Contents

Related product manuals