EasyManua.ls Logo

Argo AG4HP061PH - Other Thermal System; Other Thermal Auxiliary Heat Source Installation; Other Thermal Electric Wiring

Argo AG4HP061PH
64 pages
Print Icon
To Next Page IconTo Next Page
To Next Page IconTo Next Page
To Previous Page IconTo Previous Page
To Previous Page IconTo Previous Page
Loading...
Air-to-water Heat Pump
33
Other Thermal
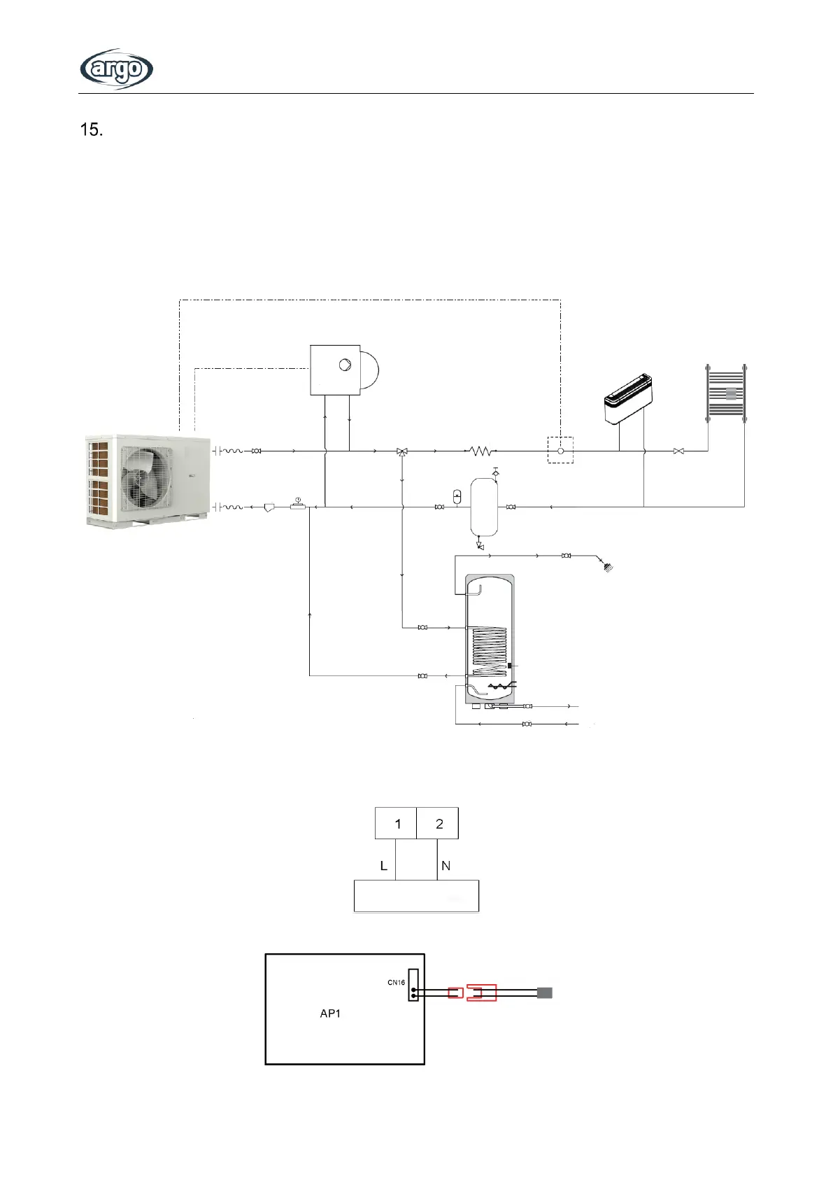
Other thermal is allowed for the equipment and controlled in such a way that the mainboard will output 230V when
outdoor temperature is lower than the set point for startup of the other thermal auxiliary heat source.
Note: Other thermal and Optional Electric Heater CANNOT be installed at the same time.
Step 1. Other thermal auxiliary heat source installation
The other thermal auxiliary heat source should be installed in parallel with the monobloc unit. Moreover, an additional
water temperature sensor (available as optional, 5 m long) should be installed.
Step 2. Electric wiring work
Other thermal L and N connect to XT3~1,2.
Optional water temperature sensor connect to AP1 CN16.
Monobloc unit
Other thermal
auxiliary heat
source
3-way Valve
Optional water
temperature
sensor
Tank
Other thermal
Optional water temperature
sensor

Table of Contents

Related product manuals