EasyManua.ls Logo

Arista MicroBox-7824B-E01 - I;O Panel

Arista MicroBox-7824B-E01
56 pages
Print Icon
To Next Page IconTo Next Page
To Next Page IconTo Next Page
To Previous Page IconTo Previous Page
To Previous Page IconTo Previous Page
Loading...
9
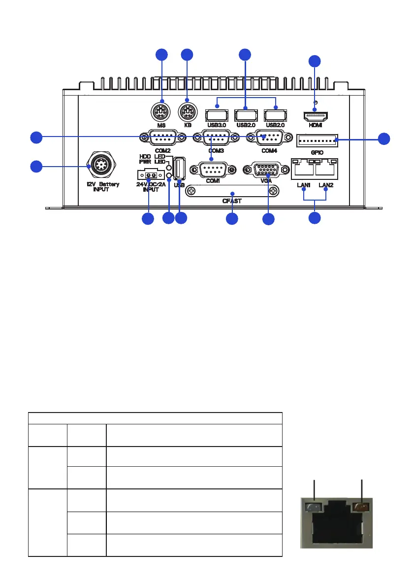
I/O Panel
1 2 3
4
5
6
7
8
9
11
10
12
13
1. PS/2 Mouse connector 8. CFAST card slot
2. PS/2 Keyboard connector 9. USB port
3. USB ports 10. Power LED(up)/HDD LED(down) indicator
4. HDMI port 11. 24V DC-IN power connector
5. GPIO port 12. Battery power input connector
6. RJ45 LAN port 13. Serial ports (COM1~COM4)
7. VGA port
Speed LED Activity LED
LED Indications on the LAN port
Status Description
Activity
LED
O󰀨 No network connection
On Data transmission activity
Speed
LED
O󰀨 Data transmission at the rate of 10Mbps
Orange Data transmission at the rate of 1Gbps
Green Data transmission at the rate of 100Mbps
PWR LED: Power LED indicator -
The LED lights up when you turn on the system,
andswitcheso󰀨instandbymode.
HDD LED: Hard Disk Activity LED indicator-
Read or write activities of the hard
disk cause the LED to light up.