EasyManua.ls Logo

Atari Centipede - Figure 19; Or the Subject Matter; With or Written

Atari Centipede
63 pages
Print Icon
To Next Page IconTo Next Page
To Next Page IconTo Next Page
To Previous Page IconTo Previous Page
To Previous Page IconTo Previous Page
Loading...
Centipede
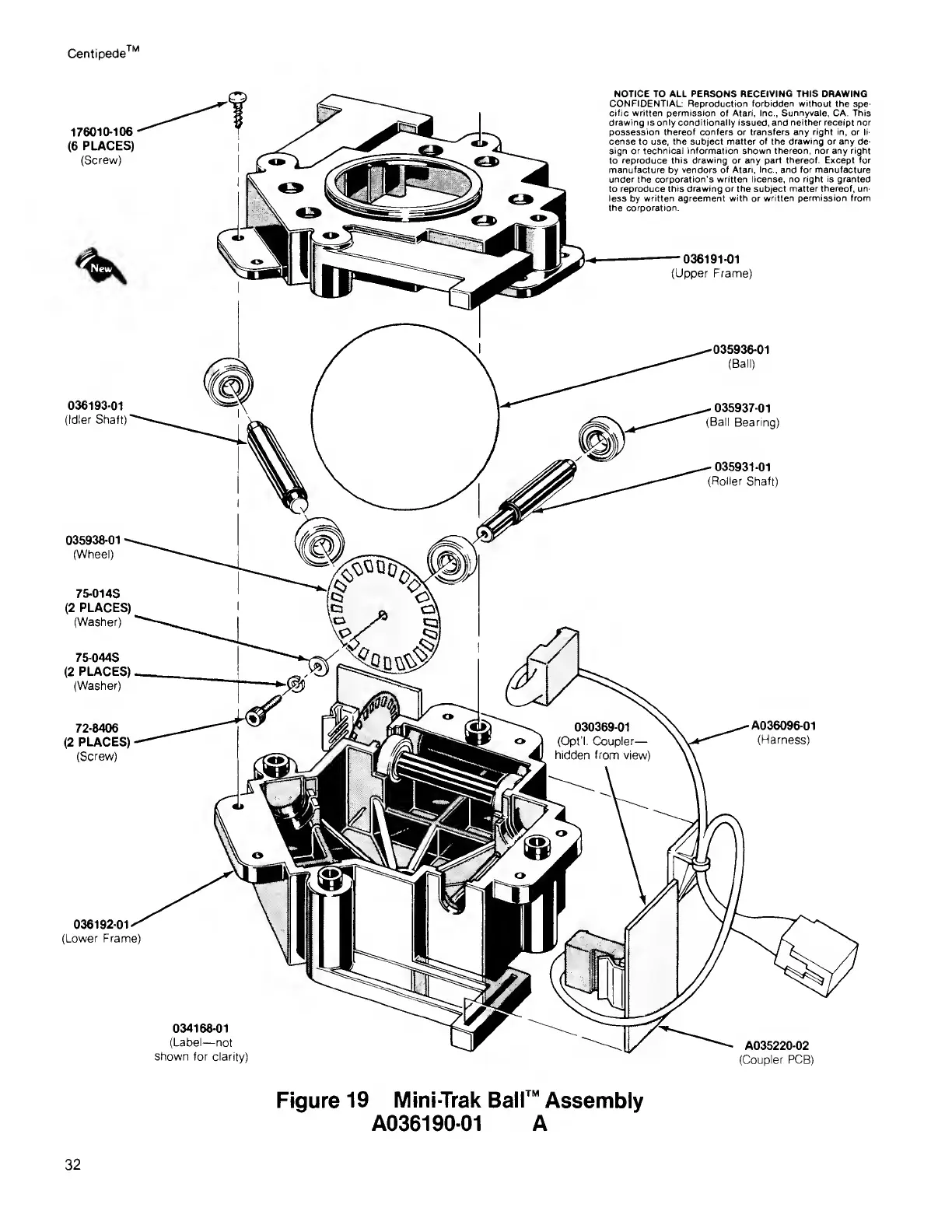
176010-106
(6
PLACES)
(Screw)
NOTICE TO ALL PERSONS
RECEIVING THIS DRAWING
CONFIDENTIAL: Reproduction forbidden without the spe-
cific written permission
of Atari,
Inc., Sunnyvale,
CA. This
drawing is only conditionally issued,
and
neither receipt nor
possession thereof confers or transfers any right in, or li-
cense
to use, the subject
matter
of
the drawing or any
de-
sign or technical information shown
thereon,
nor any right
to
reproduce this drawing or any part thereof. Except for
manufacture
by
vendors of Atari, Inc., and for manufacture
under the corporation's written license, no
right is granted
to
reproduce this drawing or the
subject
matter thereof, un-
less
by
written
agreement with
or
written permission from
the corporation.
036191-01
(Upper Frame)
036193-01
(Idler Shaft)'
035938-01
-
(Wheel)
75-01
4S
(2
PLACES)
(Washer)
75-044S
(2
PLACES)
.
(Washer)
72-8406
(2
PLACES)
(Screw)
-035936-01
(Ball)
-
035937-01
(Ball
Bearing)
-035931-01
(Roller
Shaft)
S
§
030369-01
(Opt'l. Coupler
hidden from
view)
-
A036096-01
(Harness)
036192-01/
(Lower Frame)
034168-01
(Label
not
shown for
clarity)
A035220-02
(Coupler PCB)
Figure
19 Mini-Trak Ball™
Assembly
A0361
90-01
A
32

Related product manuals