EasyManua.ls Logo

Atlantic Alfea Evolution 5 - Page 44

Atlantic Alfea Evolution 5
56 pages
Print Icon
To Next Page IconTo Next Page
To Next Page IconTo Next Page
To Previous Page IconTo Previous Page
To Previous Page IconTo Previous Page
Loading...
RD
WH
BK
WH
RD
BK
BN
RD
OG
YE
YE
BU
OG
OG
RD
BK
WH
BK
WH
BN
BK
WH
BK
GN
RD
WH
BK
RD
WH
BK
BN
RD
RD
BK
BK
RD
WH
YE
BN
RD
BN
BU
OG
YE
WH
BK
RD
WH
YE
BN
BK
BK
BK
BK
BN
BN
BU
R(R)
S(S)
C(T)
AOYA 45 LBTL
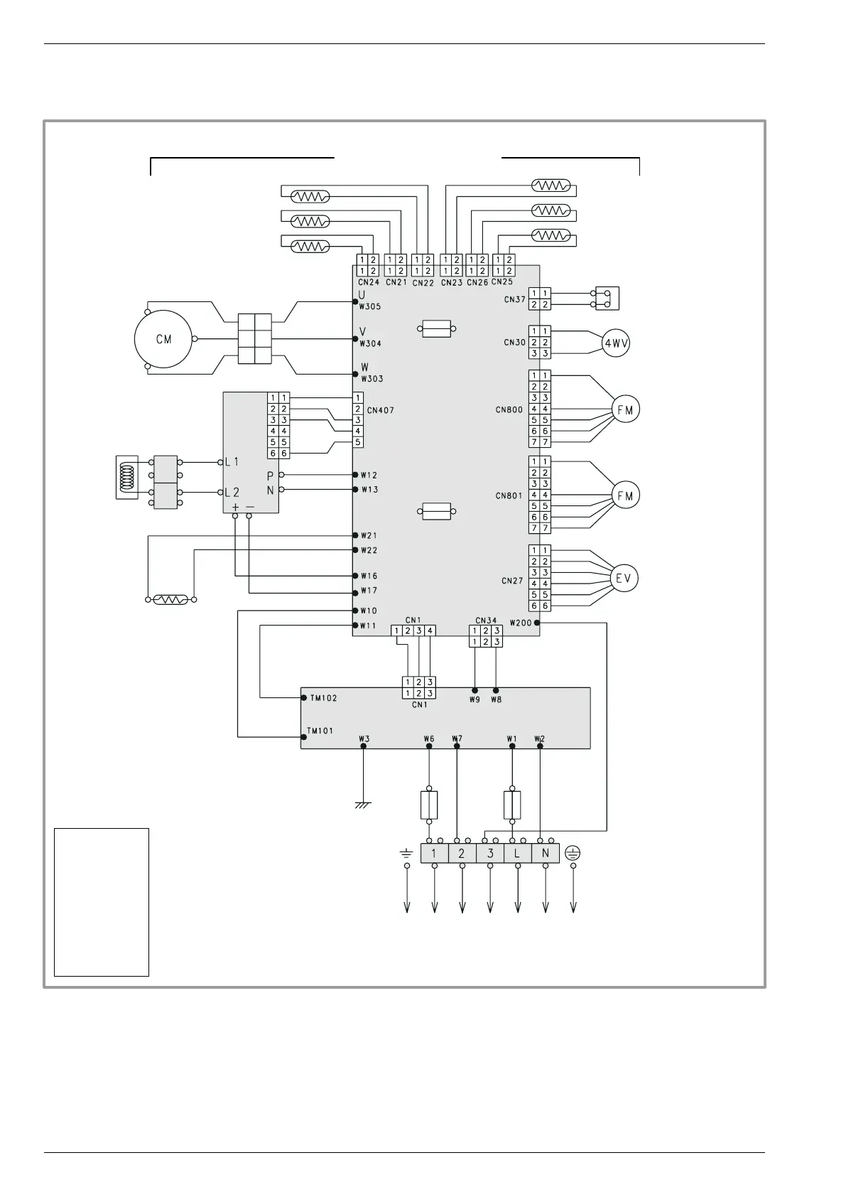
gure 39 - Electrical wiring Outdoor unit Model Evolution 13
Evaporator outlet
Discharge
Evaporator center
Outside
Compressor
Compressor
Compressor casing
4-way valve
Ventilator 1
Ventilator 2
Electronic
expansion
valve
Terminal block
Terminal block
Electrical cabling
Interconnection
between the outside unit
and the hydraulic module
Temperature sensors
HP pressure switch
Posistor
Coil
Regulation board
Filter
Active
lter
unit
Fuse
Fuse
F2 T 3,15 A - 250V
F4 T 5 A - 250V
Color Codes
BK Black
BN Brown
BU Blue
GN Green
GY Grey
OG Orange
RD Red
VT Purple
WH White
YE Yellow
Installation and operation manual "1397 - EN"
Heat pump split single service alféa Evolution
- 44 -

Related product manuals