EasyManua.ls Logo

Atlantic Alfea Evolution 5 - Page 45

Atlantic Alfea Evolution 5
56 pages
Print Icon
To Next Page IconTo Next Page
To Next Page IconTo Next Page
To Previous Page IconTo Previous Page
To Previous Page IconTo Previous Page
Loading...
BK
BN
BN
BU
BK
WH
BN
YE
BU
OG
RD
Noir
BN
YE
WH
VT
RD
WH
BK
RD
WH
BK
BK
GY
GY
BK
RD
OG
OG
RD
RD
BK
YE
BN
WH
OG
BU
BK
RD
BK
YE
BN
WH
RD
BK
YE
BN
WH
RD
RD
WH
BK
WH
BK
WH
BK
GN
WH
BK
BK
RD
BN
AOY 54 LJBYL
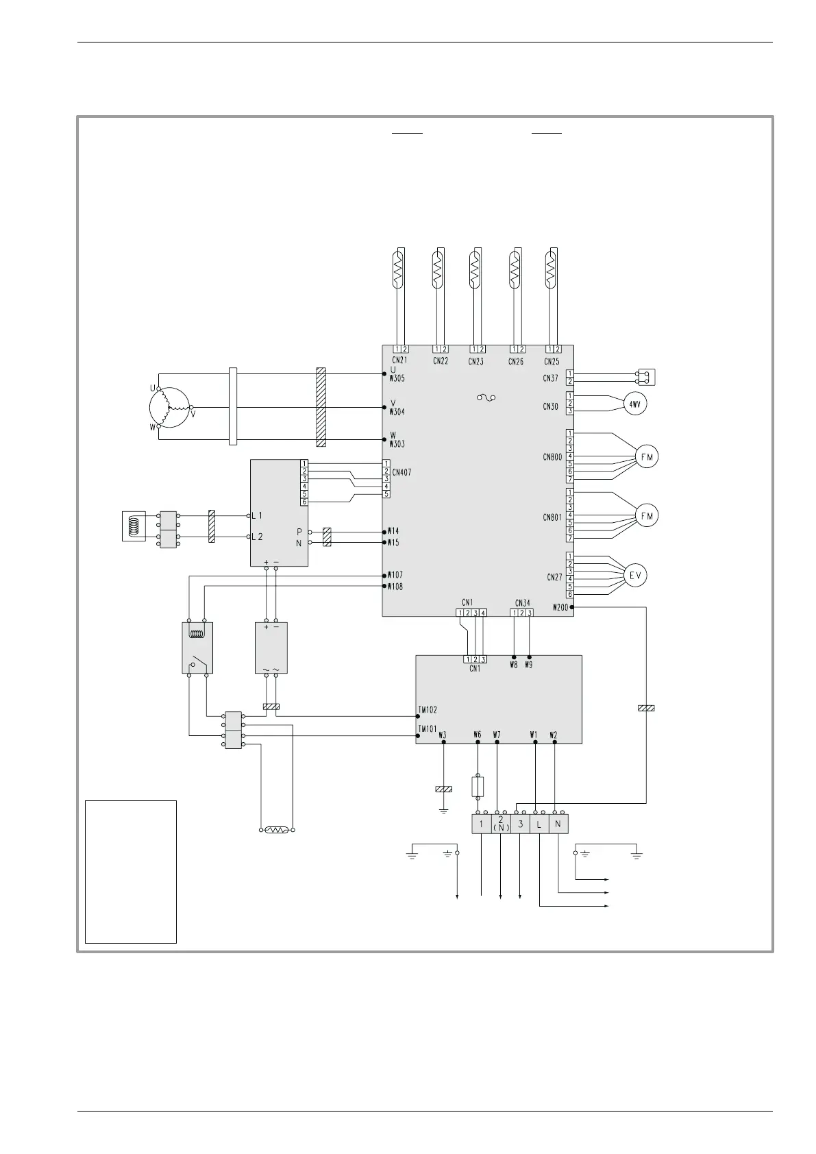
gure 40 - Electrical wiring Outdoor unit Model Evolution 16
Discharge
Evaporator
Outside
Compressor
Compressor
Connector
Filter EMI
Filter EMI
Filter EMI
Filter EMI
Filter EMI
Filter EMI
Relay
Diode bridge
Compressor casing
4-way valve
Ventilator 1
Ventilator 2
Electronic
expansion
valve
Terminal block
Terminal block
Terminal block
Electricity
supply
Interconnection
between the outside unit
and the hydraulic module
HP pressure switch
Posistor
Coil
Regulation board
Filter
Active
lter
unit
Fuse
Fuse 10A
F4 T 3,15 A - 250V
Temperature sensors
Color Codes
BK Black
BN Brown
BU Blue
GN Green
GY Grey
OG Orange
RD Red
VT Purple
WH White
YE Yellow
Installation and operation manual "1397 - EN" - 45 -
Heat pump split single service alféa Evolution

Related product manuals