EasyManua.ls Logo

Atmel AT90S2313 - Page 50

Atmel AT90S2313
87 pages
Print Icon
To Next Page IconTo Next Page
To Next Page IconTo Next Page
To Previous Page IconTo Previous Page
To Previous Page IconTo Previous Page
Loading...
AT90S2313
50
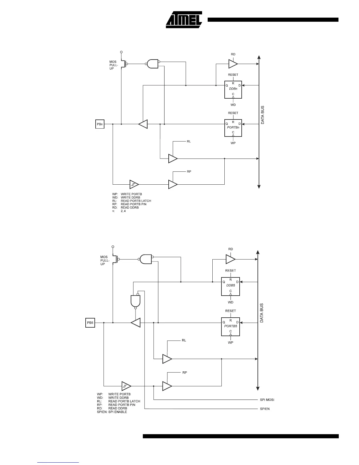
Figure 40. Port B Schematic Diagram, Pins PB2 and PB4
Figure 41. Port B Schematic Diagram Pin PB5

Related product manuals