EasyManua.ls Logo

Atmel AT90S8515-8PI - Page 59

Atmel AT90S8515-8PI
101 pages
Print Icon
To Next Page IconTo Next Page
To Next Page IconTo Next Page
To Previous Page IconTo Previous Page
To Previous Page IconTo Previous Page
Loading...
AT90S4414/8515
59
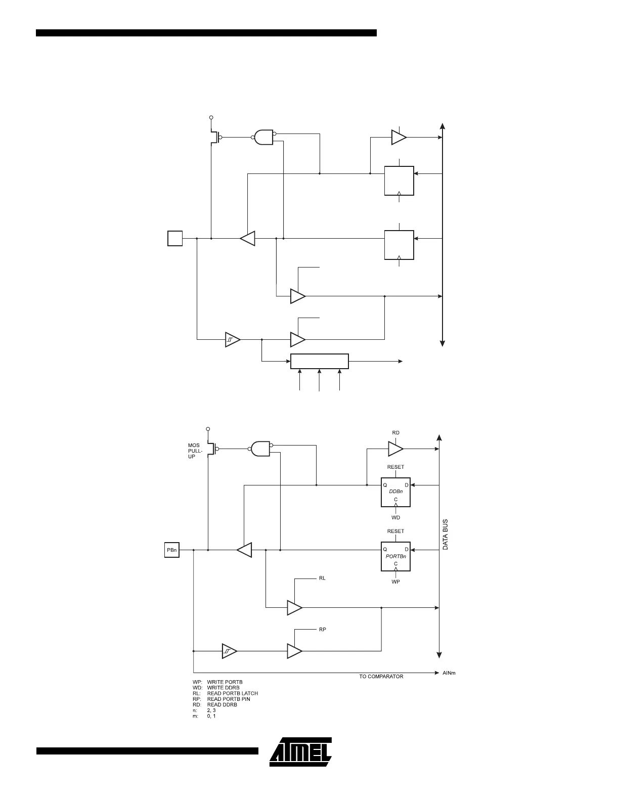
Port B Schematics
Note that all port pins are synchronized. The synchronization latches are however, not shown in the figures.
Figure 46. Port B Schematic Diagram (Pins PB0 and PB1)
Figure 47. Port B Schematic Diagram (Pins PB2 and PB3)
DATA BUS
D
D
Q
Q
RESET
RESET
C
C
WD
WP
RD
MOS
PULL-
UP
PBn
R
R
WP:
WD:
RL:
RP:
RD:
WRITE PORTB
WRITE DDRB
READ PORTB LATCH
READ PORTB PIN
READ DDRB
DDBn
PORTBn
SENSE CONTROL
TIMERn CLOCK
SOURCE MUX
CSn2
CSn0
RL
RP
CSn1
n: 0,1

Related product manuals