EasyManua.ls Logo

Atmel AT90S8515-8PI - I;O Ports; Port D Description

Atmel AT90S8515-8PI
101 pages
Print Icon
To Next Page IconTo Next Page
To Next Page IconTo Next Page
To Previous Page IconTo Previous Page
To Previous Page IconTo Previous Page
Loading...
AT90S4414/8515
63
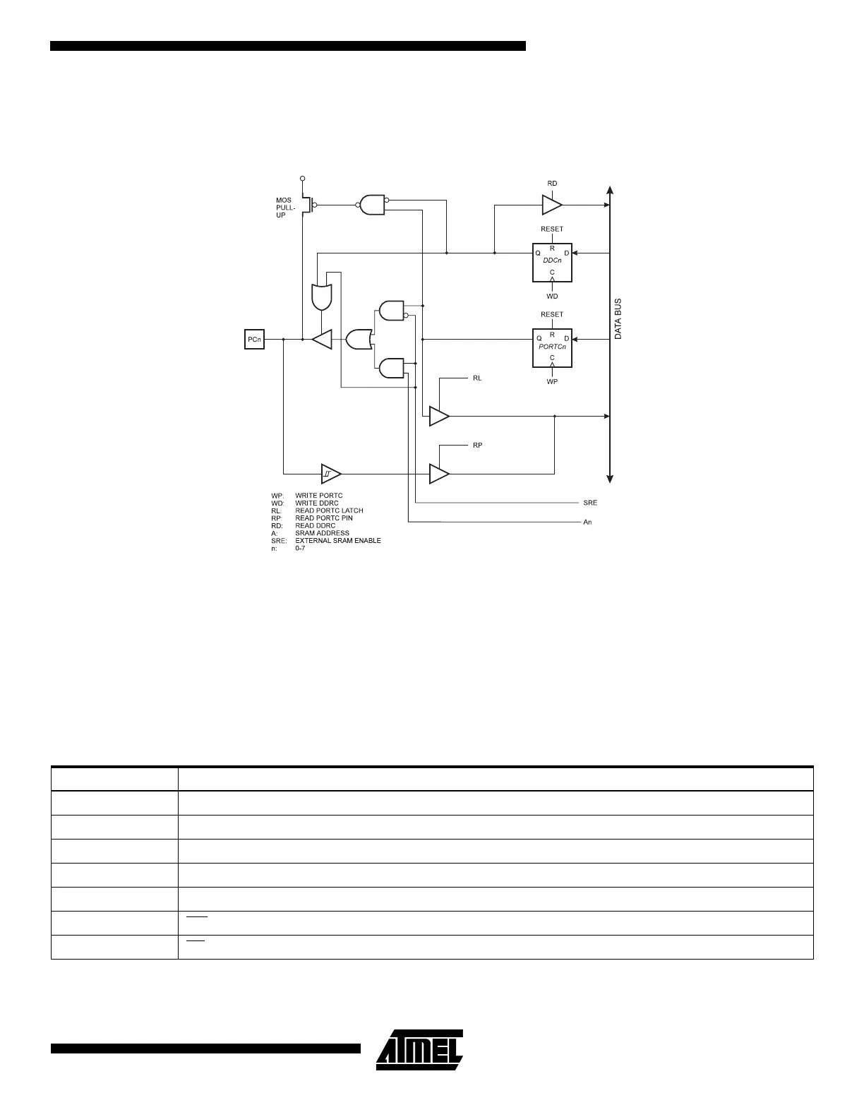
Port C Schematics
Note that all port pins are synchronized. The synchronization latch is however, not shown in the figure.
Figure 52. Port C Schematic Diagram (Pins PC0 - PC7)
Port D
Port D is an 8 bit bi-directional I/O port with internal pull-up resistors.
Three I/O memory address locations are allocated for the Port D, one each for the Data Register - PORTD, $12($32), Data
Direction Register - DDRD, $11($31) and the Port D Input Pins - PIND, $10($30). The Port D Input Pins address is read
only, while the Data Register and the Data Direction Register are read/write.
The Port D output buffers can sink 20 mA. As inputs, Port D pins that are externally pulled low will source current if the pull-
up resistors are activated.
Some Port D pins have alternate functions as shown in the following table:
When the pins are used for the alternate function the DDRD and PORTD register has to be set according to the alternate
function description.
Table 24. Port D Pins Alternate Functions
Port Pin Alternate Function
PD0 RXD (UART Input line)
PD1 TXD (UART Output line)
PD2 INT0 (External interrupt 0 input)
PD3 INT1 (External interrupt 1 input)
PD5 OC1A (Timer/Counter1 Output compareA match output)
PD6 WR
(Write strobe to external memory)
PD7 RD
(Read strobe to external memory)

Related product manuals