EasyManua.ls Logo

Atmel AT90S8515-8PI - Page 67

Atmel AT90S8515-8PI
101 pages
Print Icon
To Next Page IconTo Next Page
To Next Page IconTo Next Page
To Previous Page IconTo Previous Page
To Previous Page IconTo Previous Page
Loading...
AT90S4414/8515
67
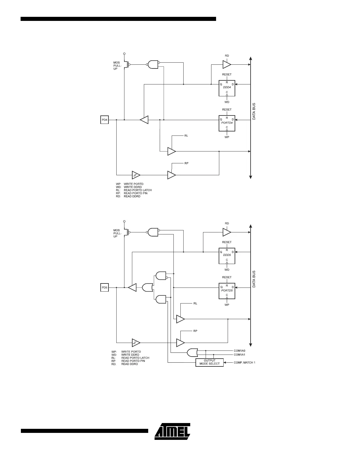
Figure 56. Port D Schematic Diagram (Pin PD4)
Figure 57. Port D Schematic Diagram (Pin PD5)

Related product manuals