EasyManua.ls Logo

Audient iD44 - Page 18

Audient iD44
60 pages
Print Icon
To Next Page IconTo Next Page
To Next Page IconTo Next Page
To Previous Page IconTo Previous Page
To Previous Page IconTo Previous Page
Loading...
Neutrik
Neutrik
Neutrik
Neutrik
D.I 1
D.I 2
Auto
Sense
Input
Select
ADC
+60dB
+60dB
ADC
Insert
Insert
Direct
Monitor
Path
(software
controlled)
ADC
ADC
CH1
CH2
CH3
CH4
OPTICAL
IN 1
OPTICAL
IN 2
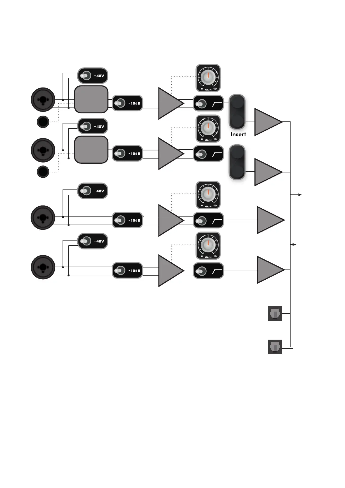
Microphone Input
XLR Combi Female
Pin 1: Chassis Ground Pin
Pin 2:Hot (+ve)
Pin 3: Cold (-ve)
Input Impedance: >2.8k ohm
Maximum Input Level: +18 dBu
Line Input
1/4” TRS Combi Jack
Tip: Hot (+ve)
Ring: Cold (-ve)
Sleeve: Chassis Ground
Input Impedance: >8k ohm
Maximum Input Level: +28 dBu
DI Input
1/4” TS Jack
Tip: Hot (+ve)
Sleeve: Ground
Input Impedance: >1Meg ohm
Insert Sends
1/4” TRS Jack
Tip: Hot (+ve)
Ring: Cold (-ve)
Sleeve: Chassis Ground
Output Impedance: >100 ohm
Maximum Output Level: +22 dBu
Insert Return
1/4” TRS Jack
Tip: Hot (+ve)
Ring: Cold (-ve)
Sleeve: Chassis Ground
Input Impedance: >10k ohm
Maximum Input Level: +18 dBu
Digital Reference: 0dBFS = +18dBU
Optical Inputs
TOSLink Optical Connector
ADAT: 8 channels @ 48kHz
ADAT SMUX: 4 channels @ 96kHz
S/PDIF: 2 Channels @ All sample rates
Input Specs
Class A Mic Preamplifer, Inserts, A/D converters and
Optical Input Block Diagram
USB
OUT
Auto
Sense
Input
Select
+60dB
+60dB
18
Hardware Features

Other manuals for Audient iD44

Related product manuals