EasyManua.ls Logo

AudioArts Engineering audio console r-55e - Page 111

AudioArts Engineering audio console r-55e
147 pages
Print Icon
To Next Page IconTo Next Page
To Next Page IconTo Next Page
To Previous Page IconTo Previous Page
To Previous Page IconTo Previous Page
Loading...
R-55e / July 2004
page 12 - 2
LOCAL OFF
TB BUS
TIMER RESTART
ACNS
OUTPUTS
OM-55e
Model R-55e
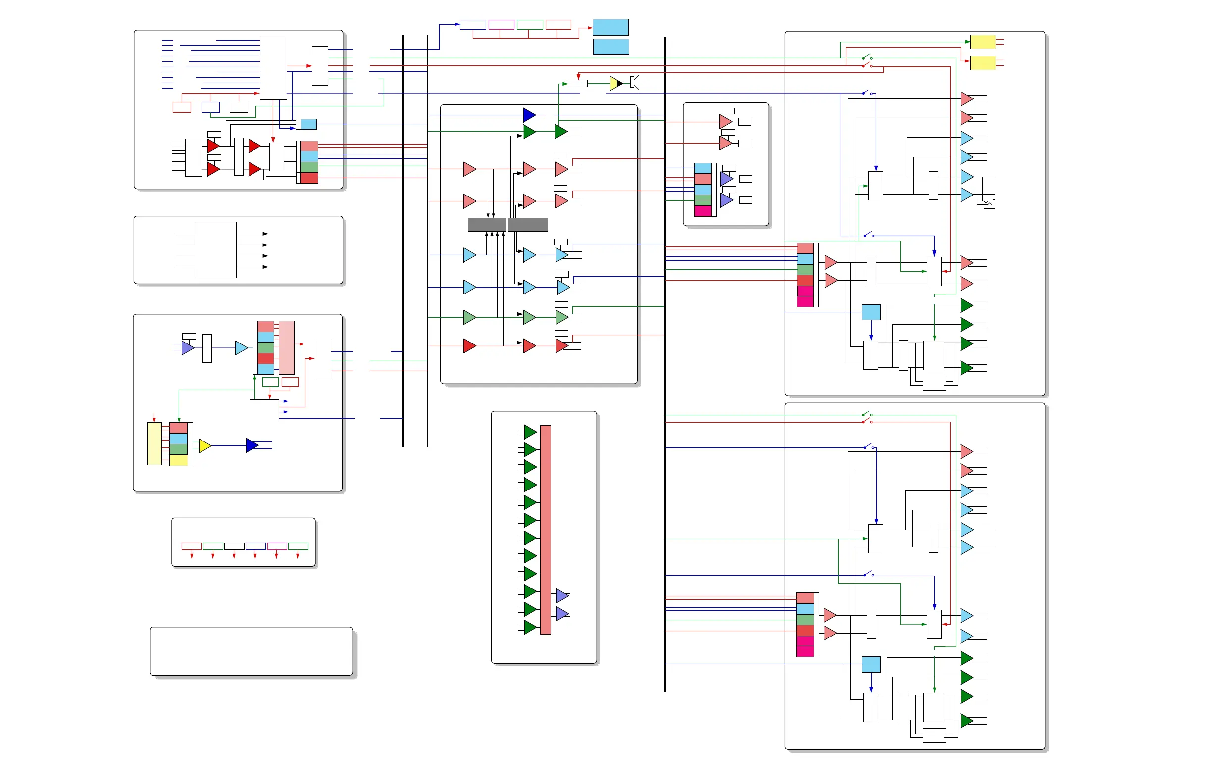
System Flow Diagram
TAPE REMOTE
RTZ FF STOP RECREW
Optional
TR/FF-55e
PLAY
Mute
Pwr Amp
SPKR
A/B
TB
COUGH
MACHINE COMMON
STOP
READY
START
REMOTE OFF
REMOTE ON
ON TALLY
F
A
D
E
R
FET
LINE INPUT
A/B LOGIC FOLLOW
DIP
SW
ON CUEOFF
TRIM
TRIM
FET
SW
SEL
SL-55e
ON
SW
L
R
L
R
LINE IN
LOGIC
MONO
PGM
AUD
PRE
CUE
L
R
R
L
CUE OUT
PGM OUT
TRIM
TRIM
H
L
H
L
H
L
MONO
OUT
AUD OUT
PRE OUT
TRIM
TRIM
TRIM
TRIM
R
L
H
L
H
L
H
L
H
L
AA
TB
L L
R
R
L
R
OUT
L
H
L
H
S
O
U
R
C
E
S
E
L
E
C
T
L
H
LINE 1
LINE 2
LINE 3
LINE 4
LINE 5
LINE 6
L
H
L
H
L
H
L
H
L
H
L
H
L
H
L
H
L
H
L
H
L
H
R
L
LINE SELECT
R
L
R
L
R
L
R
L
R
L
L
R
LS-55e
LOGIC
MONITOR
R
R
A
B
L
L
MIC 1
MIC 4
MIC PREAMP
TO LINE INPUT
CHANNEL
SUM
TO
CALLER
MONO
PGM
PRE
MONO
PGM
AUD
PRE
PRE
MONO
PGM
AUD
FROM
AA
TO
BB
AUD
L
R
SUPERPHONE
Optional
START
STOP
ONOFF
R
F
A
D
E
R
FROM
CALLER
H
L
CUE
CUE
H
L
SPN-55e
PRE
MONO
PGM
AUD
DIP
SW
MUTE 1
MUTE 2
CUE LOGIC
LOGIC
TIMER RESTART
QMP-4
TO PHONE
MODULE
AA
FROM PHONE
MODULE
BB
AA
PREAMP
MIC 2
MIC 3
TRIM
(MONO)
HOLDAUTO START
TIMER
RESET
CLOCK
VU
SWT
VU
TRIM
TRIM
VU
CUE
PGM
VU
VU
TRIM
TRIM
L
R
L
R
PRE
MONO
AUD
EXT
PGM
CR MUTE
STUDIO MUTE
R
L
H
L
H
L
MONITOR PRE
HDPN
CR
STUDIO
FET
FET
HDPN PRE
R
L
L
H
L
R
L
L
H
L
STUDIO PRE
R
H
L
H
L
L
R
L
R
L
L
E
V
E
L
L
E
V
E
L
H
R
H
L
H
L
H
R
L
R
L
H
L
H
L
MONITOR 2 PRE
HDPN 2
HDPN 3
STUDIO 2
FET
FET
HDPN 2 PRE
R
L
L
H
L
R
L
L
H
L
STUDIO 2 PRE
R
H
L
H
L
L
R
L
L
E
V
E
L
L
E
V
E
L
H
R
H
L
H
L
H
R
L
HDPN
JACK
TALLY 1
RELAY
PGM
PRE
MONO
AUD
EXT1
EXT2
CONTROL ROOM/
STUDIO
CRS-55e
STUDIO TWO
SS-55e
Cue To
CR
Cue To
HDPN
Cue To
HDPN3
Cue To
HDPN2
HDPN 3 MUTE
STUDIO 2 MUTE
L
TALLY 2
RELAY
R
L
PGM
PRE
MONO
AUD
EXT1
EXT2
L
Optional
DIPSW
L
E
V
E
L
FET
MUTE
MUTE
SW
TB
FET
SW
TB
TRIM
DIM
DIPSW
L
E
V
E
L
FET
MUTE
MUTE
SW
TB
FET
SW
TB
TRIM
DIM
CUE LOGIC
MUTE 2
MUTE 1
CUE LOGIC

Table of Contents