EasyManua.ls Logo

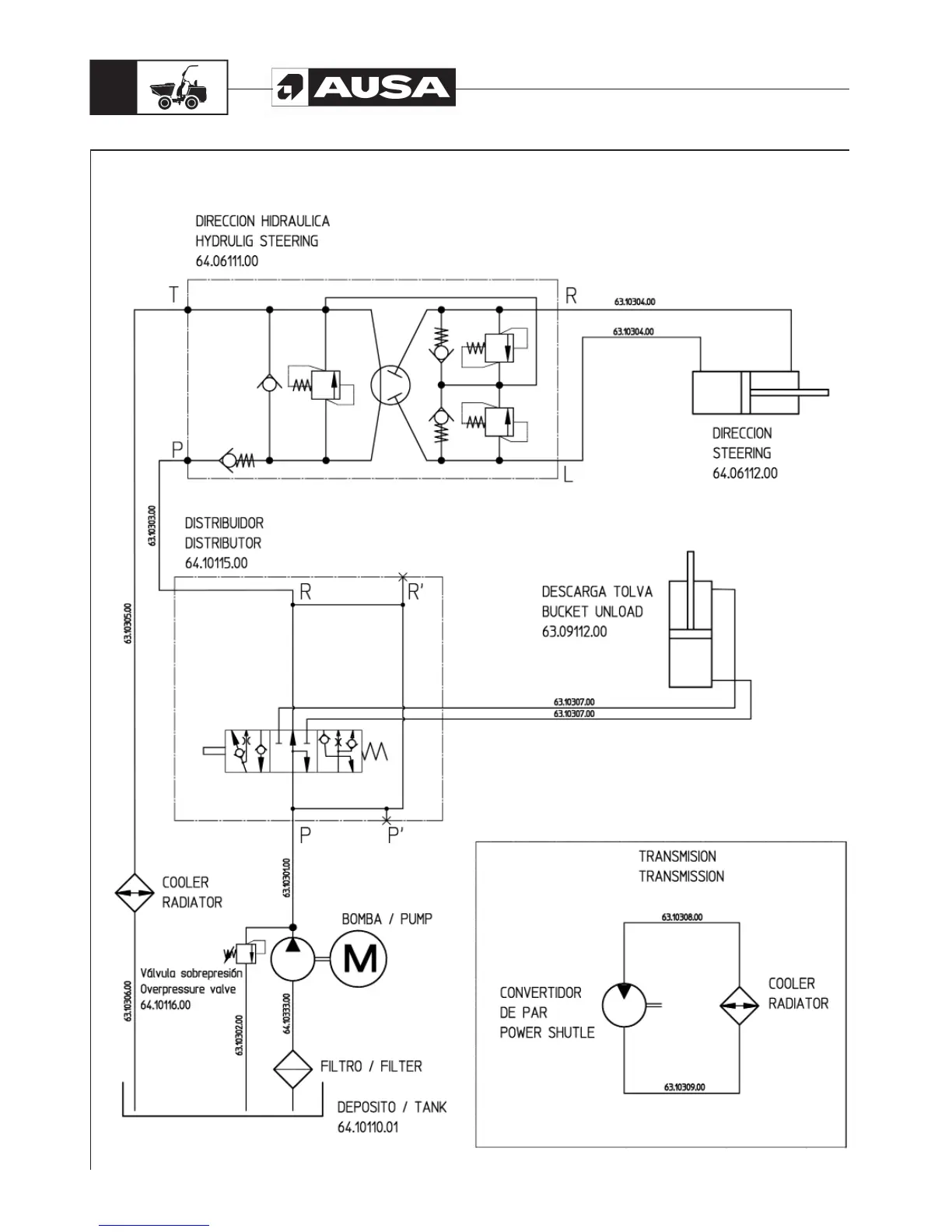
AUSA D 900 AP - Hydraulic Diagram D 900 AP; D 1000 AP

AUSA D 900 AP
72 pages
Print Icon
To Next Page IconTo Next Page
To Next Page IconTo Next Page
To Previous Page IconTo Previous Page
To Previous Page IconTo Previous Page
Loading...
D 900 AP / D 1000 AP / D 1000 APG
66
Hydraulic diagram D 900 AP / D 1000 AP

Table of Contents

Related product manuals