EasyManua.ls Logo

Autopack 45WLO20FP - 5.4 Electrical Component List

Default Icon
122 pages
Print Icon
To Next Page IconTo Next Page
To Next Page IconTo Next Page
To Previous Page IconTo Previous Page
To Previous Page IconTo Previous Page
Loading...
5 - 16
5 Electrical Components
5
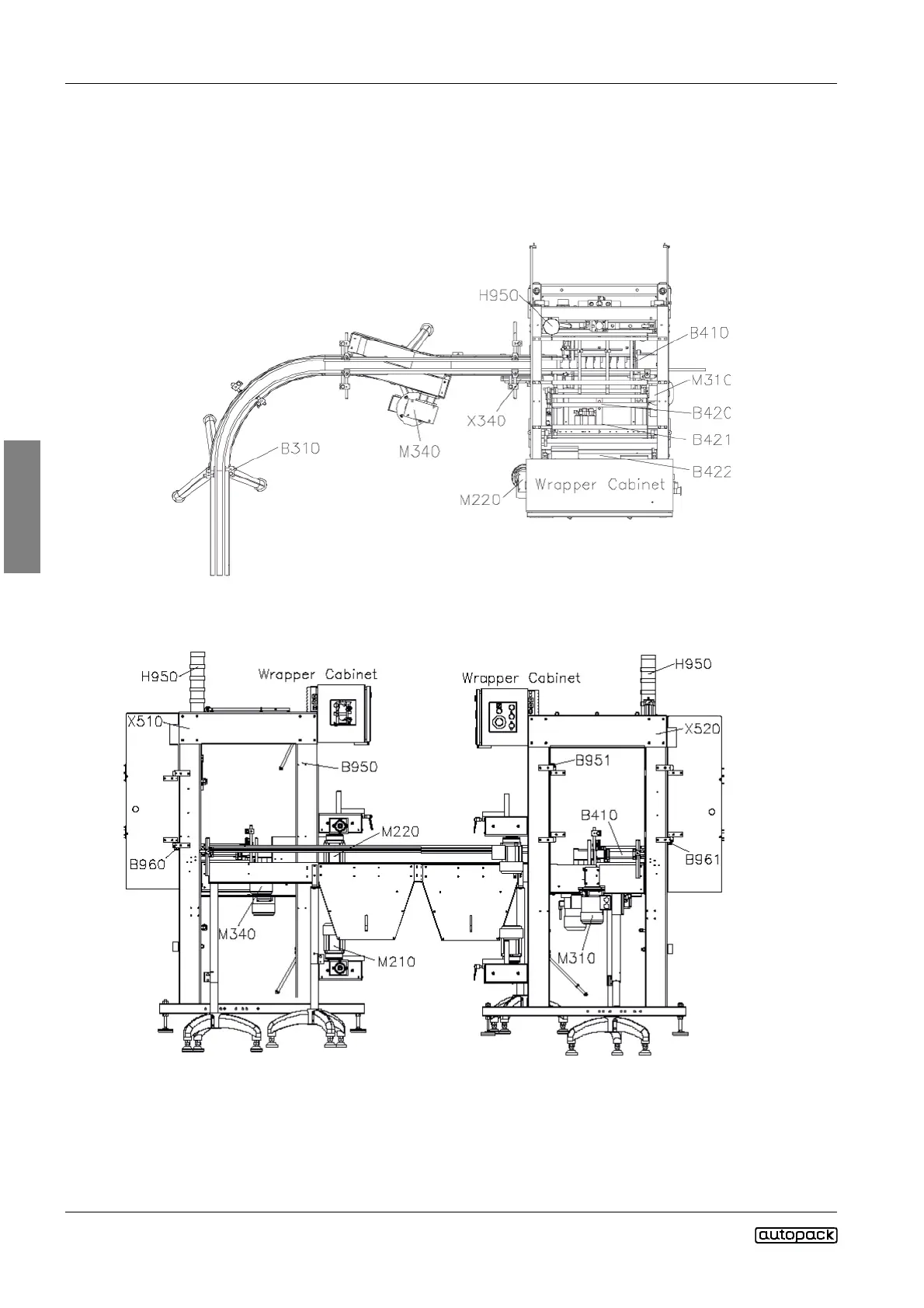
5.4 Electrical Component
5.4-1 Wrapper
Top view
Side view

Table of Contents