EasyManua.ls Logo

Bard I30A1DA - Figure 13 Basic A;C W;No Vent Pkg (X Vent)

Bard I30A1DA
68 pages
Print Icon
To Next Page IconTo Next Page
To Next Page IconTo Next Page
To Previous Page IconTo Previous Page
To Previous Page IconTo Previous Page
Loading...
Manual 2100-597G
Page 24 of 68
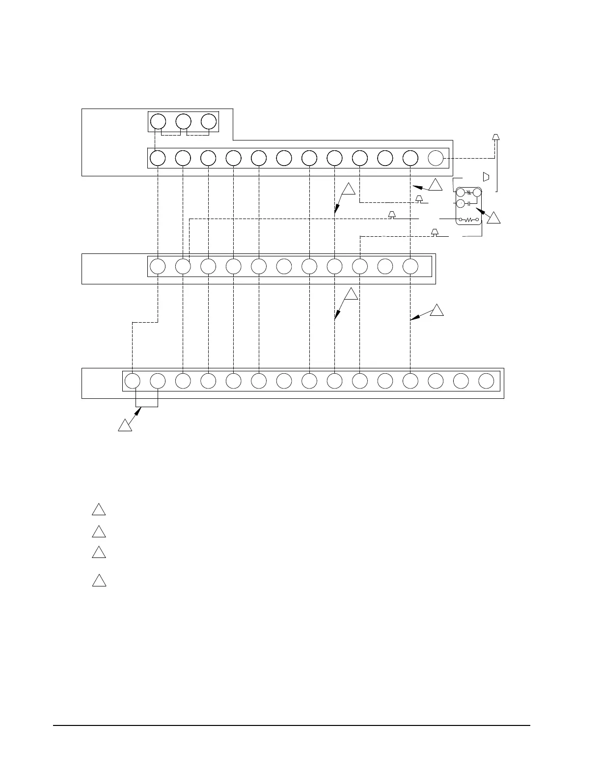
FIGURE 13
Basic Air Conditioner with No Ventilation Package ("X" Vent Code)
6 4W3 A DL
B/W1
Y2Y1RT GC W2
Low
Voltage
Term. Strip
R 3
Thermostat
W1/E
A
YO/D
LO/BY2Y1R GC W2
Bard #8403-060
Blue
Yellow
Orange
4
1
Relay Provided with Completestat
1
Additional wire required for dehumidification models
2 Not needed below 15KW
Factory installed jumper. Remove jumper and connect to N.C fire alarm
3
3
3
2
2
Red
W1/E
A DLO/BY2Y1
24V
G
COM
W2
Model #CS9BE-THO
SC
SC
SC
W1/E
A DLO/BY2Y1
24V
G
COM
W2
Model #CS9B-THO or
Completestat
Model #CS9BE-THO
SC
SC
SC
GND
W1/E
A DLO/BY2Y1
24V
G
COM
W2
Model #CS9B-THO or
Completestat
Model #CS9BE-THO
SC
SC
SC
GND
W1/E
A DLO/BY2Y1
24V
G
COM
W2
Model #CS9B-THO or
Completestat
Model #CS9BE-THO
SC
SC
SC
GND
W1/E
A DLO/BY2Y1
24V
G
COM
W2
Model #CS9B-THO or
Completestat
Model #CS9BE-THO
SC
SC
SC
GND
Model #CS9B-THO or
Completestat
4
White
MIS-3257 A

Table of Contents

Related product manuals