EasyManua.ls Logo

Bard I30A1DA - Figure 17 A;C with ERV & CO Control (R Vent)

Bard I30A1DA
68 pages
Print Icon
To Next Page IconTo Next Page
To Next Page IconTo Next Page
To Previous Page IconTo Previous Page
To Previous Page IconTo Previous Page
Loading...
Manual 2100-597G
Page 28 of 68
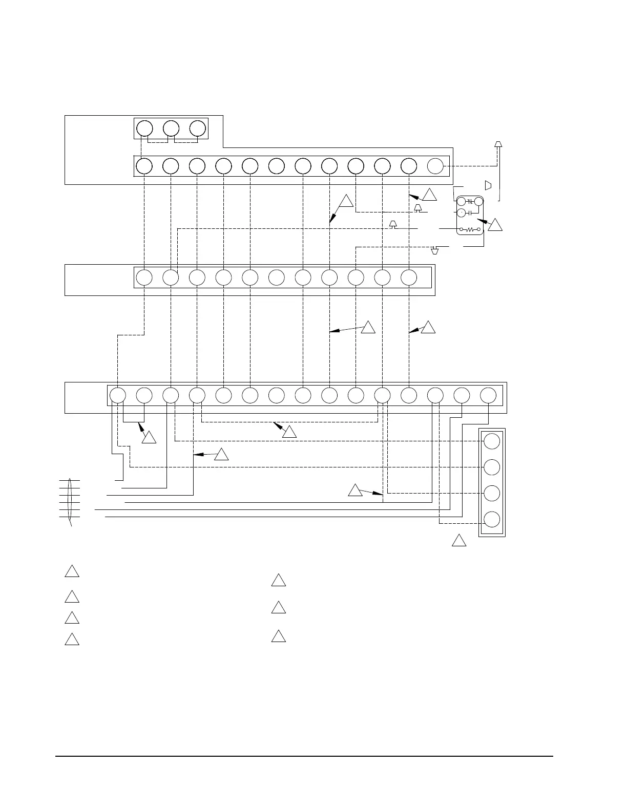
FIGURE 17
Air Conditioner with ERV and CO
2
Control (On/Off Cycling) ("R" Vent Code)
Thermostat
W1/E
A
YO/D
LO/BY2Y1R GC W2
Bard #8403-060
Blue
Yellow
Orange
Model #CS9B-THO or
6
A
6
W1/E
Completestat
MIS-3261 A
Additional wire required for dehumidification models.
1
2 Not needed below 15KW.
to N.C fire alarm circuit if emergency shutdown required.
Factory installed jumper. Remove jumper and connect
W2
SC
3
3
4
"Occupancy Signal".
6
Connect to "G" terminal when thermostat has
5
4
5
ERV Wiring Harness
1
2
BROWN/WHITE
ORANGE
BLACK/WHITE
RED/WHITE
4W3 A DL
B/W1
Y2Y1RT G
Term. Strip
2
R
C
SC
Model #CS9B-THO or
6
Low
Voltage
PURPLE
PINK
2
3
1
directly to "A" and do not use seperate CO2 controller.
If CS9B-THOC or CS9BE-THOC is used, connect "Brown/White"
Bard #8403-067
Red
GND
SC
5
6
Model #CS9BE-THO
W2
COM
G
24V
Y1 Y2 O/B L DA
W1/E
GND
SC
SC
SC
Completestat
Model #CS9BE-THO
W2
COM
G
24V
Y1 Y2 O/B L DA
W1/E
GND
SC
CO2 Control
SC
SC
Completestat
Model #CS9BE-THO
W2
COM
G
24V
Y1 Y2 O/B L DA
W1/E
GND
SC
Model #CS9B-THO or
SC
SC
Completestat
Model #CS9BE-THO
W2
COM
G
24V
Y1 Y2 O/B L DA
W1/E
SC
Model #CS9B-THO or
SC
SC
Completestat
Model #CS9BE-THO
W2
COM
G
24V
Y1 Y2 O/B L
3
D
Model #CS9B-THO or
7
7
Relay Provided with Completestat
White
Install a jumper between "G" and "A" only when thermostat
without "Occupancy Signal" is used.
NOTE: Bard 8403-060
thermostat must
be in programmed
operation mode and in
programmed fan mode
for ventilation to function.

Table of Contents

Related product manuals