EasyManua.ls Logo

Bard I30H1 - Page 28

Bard I30H1
59 pages
Print Icon
To Next Page IconTo Next Page
To Next Page IconTo Next Page
To Previous Page IconTo Previous Page
To Previous Page IconTo Previous Page
Loading...
Manual 2100-549G
Page 28 of 59
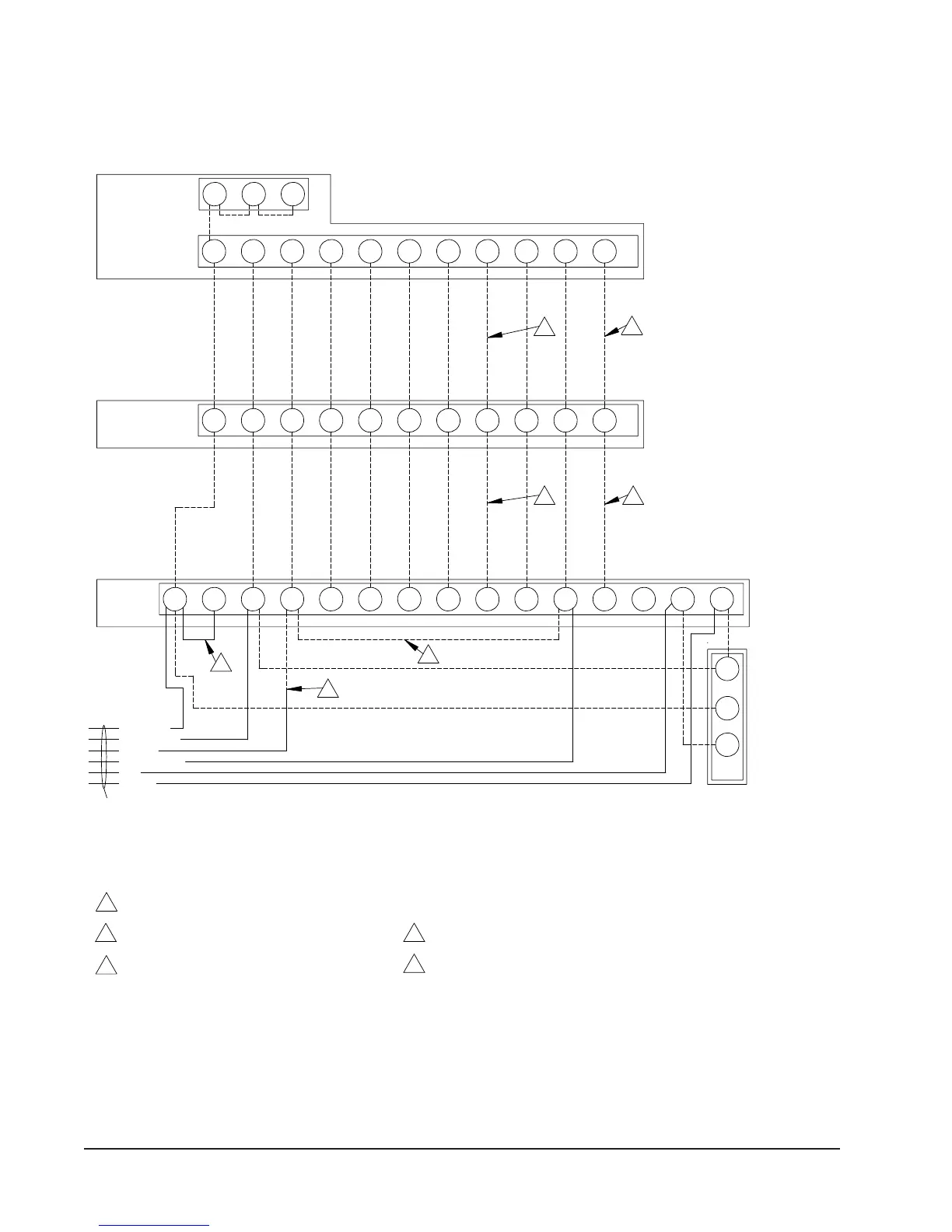
FIGURE 18
HEAT PUMP WITH ERV AND CO
2
CONTROL (FULLY MODULATING)
SC
W1/E
ADLO/BY2Y1
24V
G
COM
W2
Completestat
Model #CS9B-THO or
Model #CS9BE-THO
SCSC
Thermostat
W1/E
A
YO/D
LO/BY2Y1RGCW2
Bard #8403-060
PINK
DL
without "Occupance Signal" is used.
Term. Strip
B/W1
Y2R
6Y1RT 3
PURPLE
Connect to "G" terminal when thermostat has "Occupancy Signal".
C
2
2
ERV Wiring Harness
Voltage
1
W2
2
Additional wire required for dehumidification models.
Bard #8403-067
4
3
MIS-3021 A
4
5
1
to N.C fire alarm circuit if emergency shutdown required.
Factory installed jumper. Remove jumper and connect
1
Not needed below 15KW.
2
3
5
BROWN/WHITE
ORANGE
BLACK/WHITE
RED/WHITE
4W3 AG
Install a jumper between "G" and "A" only when thermostat
3
Low
CO2 Control
3
NOTE: Bard 8403-060
thermostat must be
in programmed
operation mode and
in programmed fan
mode for ventilation
to function.

Table of Contents

Related product manuals