EasyManua.ls Logo

Bard I30H1 - Control

Bard I30H1
59 pages
Print Icon
To Next Page IconTo Next Page
To Next Page IconTo Next Page
To Previous Page IconTo Previous Page
To Previous Page IconTo Previous Page
Loading...
Manual 2100-549G
Page 27 of 59
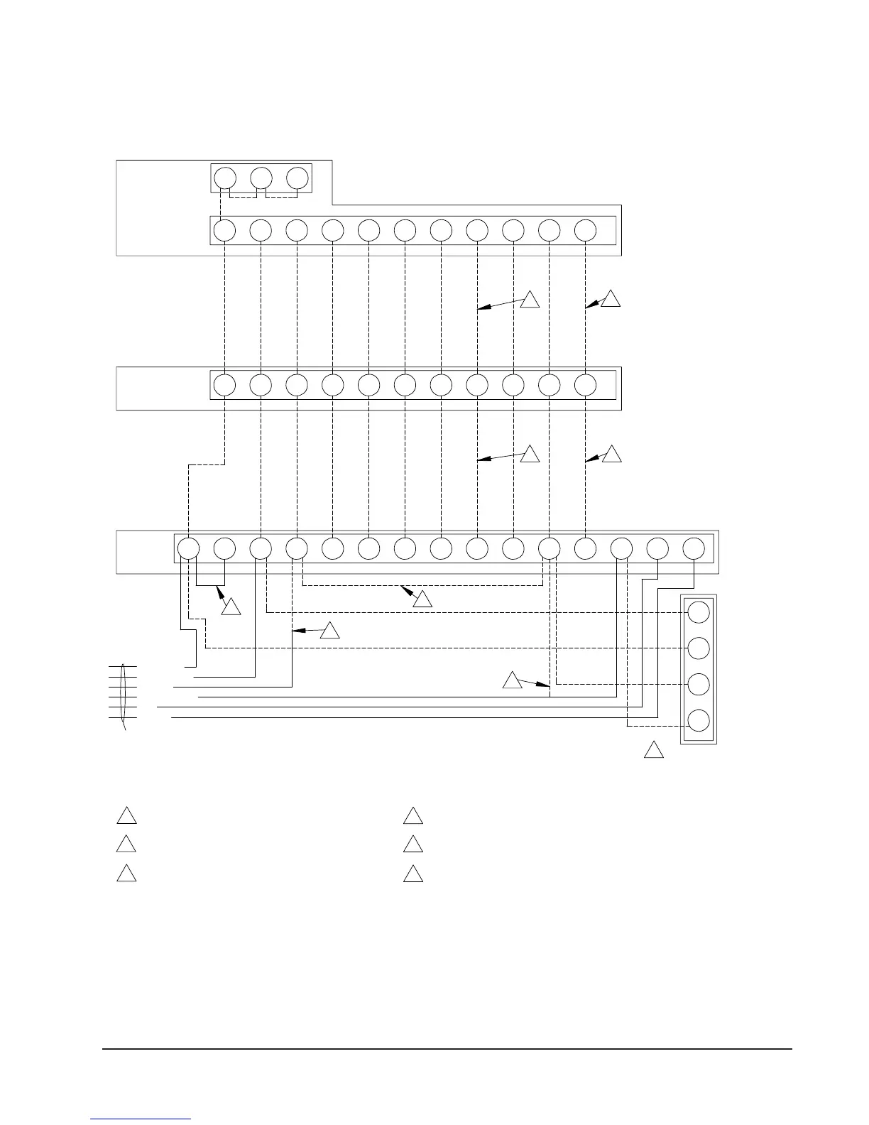
FIGURE 17
HEAT PUMP WITH ERV AND CO
2
CONTROL (ON/OFF CYCLING)
SC
W1/E
ADLO/BY2Y1
24V
G
COM
W2
Completestat
Model #CS9B-THO or
Model #CS9BE-THO
SCSC
Thermostat
W1/E
A
YO/D
LO/BY2Y1RGCW2
Bard #8403-060
PINK
6
1
Additional wire required for dehumidification models.
2
Not needed below 15KW.
3
to N.C fire alarm circuit if emergency shutdown required.
Factory installed jumper. Remove jumper and connect
4 Connect to "G" terminal when thermostat has "Occupancy Signal".
without "Occupance Signal" is used.
Install a jumper between "G" and "A" only when thermostat
1
5
4
5
ERV Wiring Harness
1
2
2 3
BROWN/WHITE
ORANGE
BLACK/WHITE
RED/WHITE
4W3 A DL
B/W1
Y2Y1RT GCW2
Term. Strip
R 6
PURPLE
5
2
directly to "A" and do not use seperate CO2 controller.
If CS9B-THOC or CS9BE-THOC is used, connect "Brown/White"
Low
3
3
Voltage
6
6
6
CO2 Control
Bard #8403-067
MIS-3020
NOTE: Bard 8403-060
thermostat must be
in programmed
operation mode and
in programmed fan
mode for ventilation
to function.

Table of Contents

Related product manuals