EasyManua.ls Logo

Binder KBF 240 - Page 95

Binder KBF 240
140 pages
Print Icon
To Next Page IconTo Next Page
To Next Page IconTo Next Page
To Previous Page IconTo Previous Page
To Previous Page IconTo Previous Page
Loading...
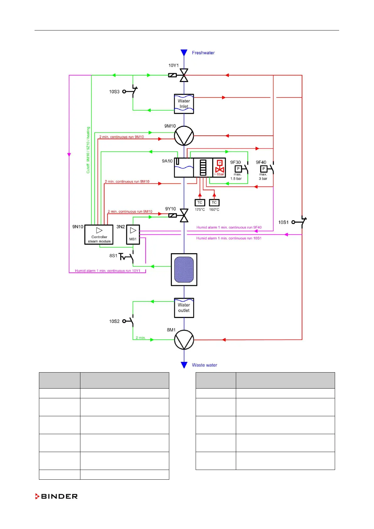
Repair work at the humidifying and dehumidifying system
9.1.2 Flow chart humidity system
Equipment
code
Designation
Equipment
code
Designation
(-3N2)
Controller MB1 I / O board
(-9Y10)
Solenoid valve steam release
(-8M1)
Evacuation pump
(-10S1)
Float switch for filling level and
overflow sensor
(-8S1)
Humidity switch
(-10S2)
Side mounted float switch outlet
tank
(-9A10)
Steam boiler
(-10S3)
Side mounted float switch inlet
tank
(-9N10)
Control board humidification
module
(-10Y1)
Freshwater inlet valve
(-9M10)
Water pump
Service Manual KBF (E5.2) 04-2015 95

Table of Contents

Other manuals for Binder KBF 240

Related product manuals