EasyManua.ls Logo

Bitzer KT-230-2 - Page 45

Bitzer KT-230-2
86 pages
Print Icon
To Next Page IconTo Next Page
To Next Page IconTo Next Page
To Previous Page IconTo Previous Page
To Previous Page IconTo Previous Page
Loading...
KT-230-2 45
1 2 3 4
CN1
L N
CN2
K2control
Supply
Supply
K1control
RelayC
RelayNC
CN3
HPS
HPS
CN4
Heater
Heater
CN5
Add. fan
Add. fan
CN6
CR-1
CR-1
CR-2
CR-2
CR-3
CR-3
Injection
Injection
5 6 7 8
CN7
1 2 3 4 1 2
CN9
CN10
1 2 3 4 5 6
CN12
1 2 3 4
CN11
1 2
CN13
1 2 3 4
CN14
24 upVS
GND
Signal
GND
PTC
PTC
Signal
GND
Signal
GND
5 upVS
Signal
GND
5 upVS
Signal
GND
Input
GND
Data+
Data–
24 upVS
GND
Signal
GND
21 3 4 1 2 1 N 1 N 1 N 3 N 5 N 7 N
CM RC- -01
4321 876
5
13
1211
109
14
15
16
17
18 19 20
21 22
F2
L1
L2
L3
PE
F1
Q1
1
0
M 3"
F17
230V
T1
PE
F13
2
H3
M1
Y3-2
grey/grau/gris
brown/braun
orangepink
rosa
blue/blau
B6
B7
Modbus
RS485
PE
0 .. 10V
R7
PE
F5
P>
R8
Y3-1
1 2
CT
CT
CN8
1
3
2
1
3
2
R1..6
2/2/2
K1
F4
F4
OLC-D1
DP-1
CN9:3
CN9:4
K1
10
F13
8
Details concerning connections see inside the terminal box.
Details zum Anschluss siehe Innenseite des Anschlusskastens.
Détails sur le raccordement voir intérieur de la boîte de raccordement.
GND-COM
S1
01
S2
F30
4A F
F3
4A T
B1
23
24V Sup
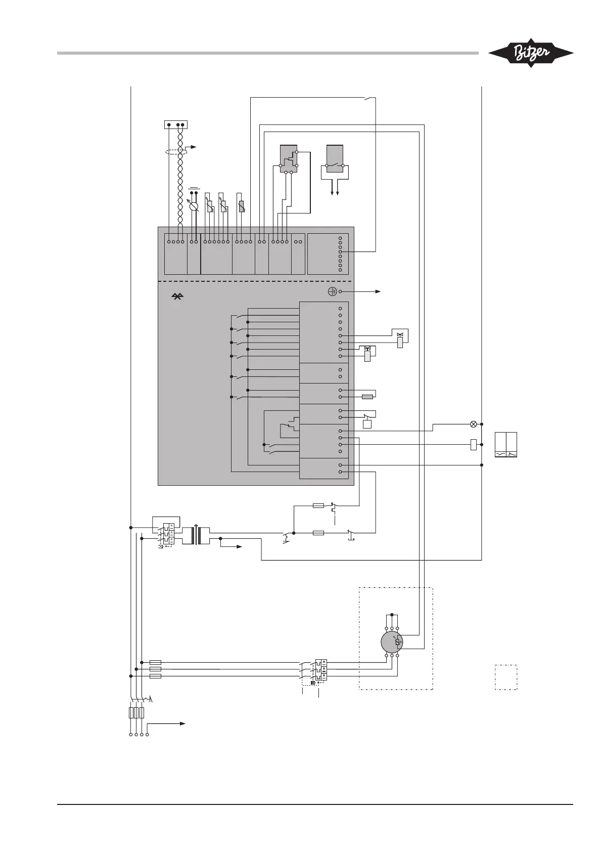
Abb.6: Prinzipschaltbild für Direktanlauf, voll ausgestatteter ECOLINE+ Verdichter mit LSPM-Motor, Anlauf in Sternschaltung

Table of Contents

Related product manuals