EasyManua.ls Logo

BLUM MINIPRESS P - Diagrams; Pneumatic Diagram

BLUM MINIPRESS P
32 pages
Print Icon
To Next Page IconTo Next Page
To Next Page IconTo Next Page
To Previous Page IconTo Previous Page
To Previous Page IconTo Previous Page
Loading...
31
BA-101/3EN M53.XXXX
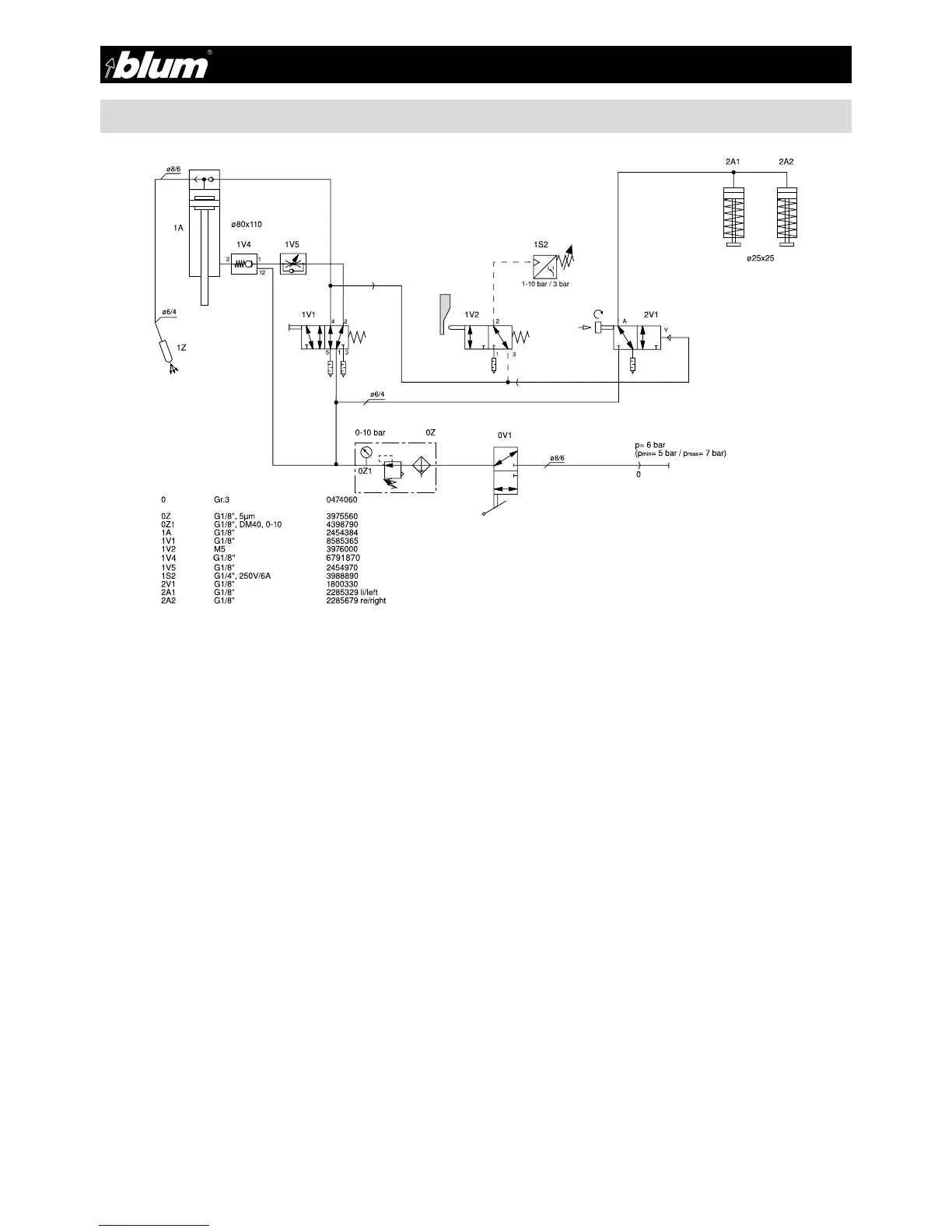
9 - Diagrams
9.4 - Pneumatic diagram
77 

Table of Contents

Other manuals for BLUM MINIPRESS P

Related product manuals