EasyManua.ls Logo

BMW E36 - Page 173

BMW E36
386 pages
Print Icon
To Next Page IconTo Next Page
To Next Page IconTo Next Page
To Previous Page IconTo Previous Page
To Previous Page IconTo Previous Page
Loading...
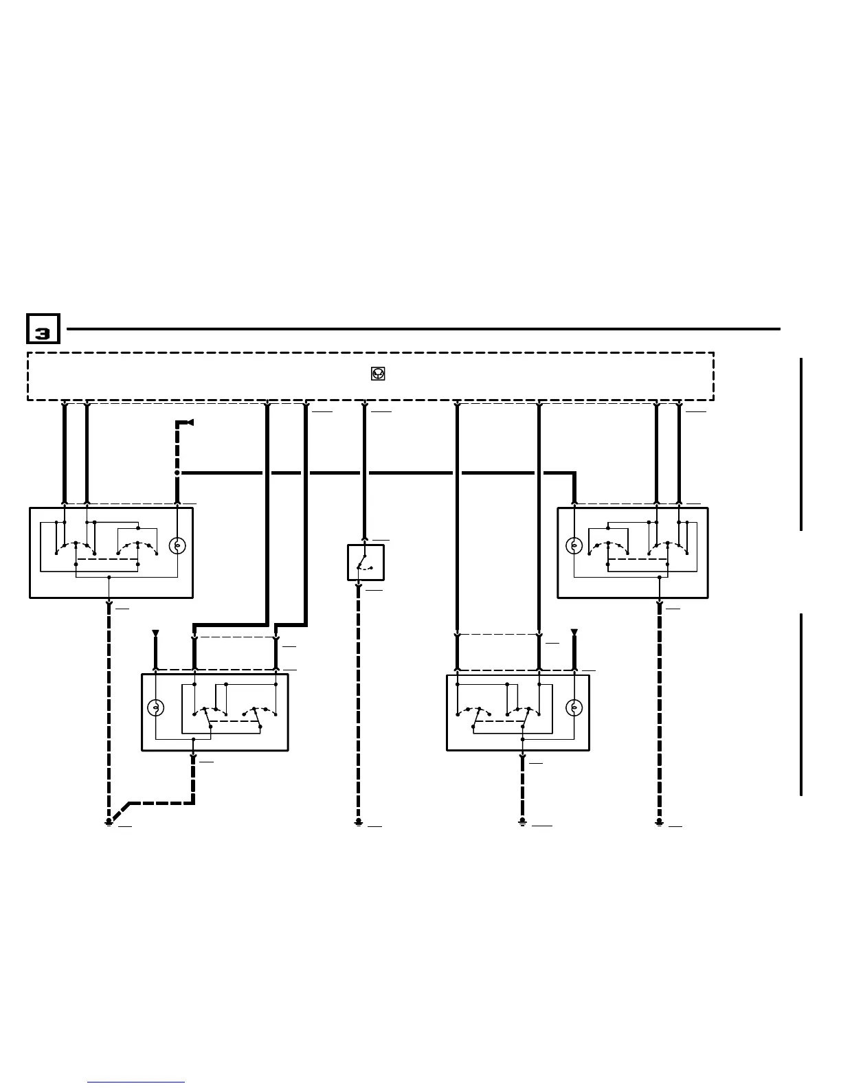
3
10
8 2
2
.5
SW/
GE
BMW
POWER WINDOWS (FH)
INPUT DETAILS
04/99
5133.1Ć
1998
02
FOURDOOR
2
4 X317
0
3
21
LIGHT SWITCH
DETAILS
6300.0
S128y
LH REAR DOOR
(CONSOLE)
POWER WINDOW
SWITCH
0) OFF
1) OPEN WINDOW
2) CLOSE
WINDOW
3) OPEN AUTO-
MATICALLY
A104
BODY
ELECTRONICS
CONTROL MODULE
(ZKE IV)
.5 BL/GN
1
2
0
3
21
.5 GR/RT
3 X317
GROUND
DISTRIBUTION
0670.4
X498
3 9 X13255
1
.5
BL/
GE
X320
3
4 X320
0
2
12
S129y
RH REAR DOOR
(CONSOLE)
POWER WINDOW
SWITCH
0) OFF
1) OPEN WINDOW
2) CLOSE
WINDOW
3) OPEN AUTO-
MATICALLY
.5 SW/RT
2
3
0
2
12
.5 GR/RT
3
GROUND
DISTRIBUTION
0670.4
X498
4 X13254
2 X645
2
4 X645
0
1
S41y
LH REAR DOOR
POWER WINDOW
SWITCH (DOOR)
0) OFF
1) OPEN
2) CLOSE
3) OPEN AUTO-
MATICALLY
.5 WS/GN
1
.5 GR/RT
3
GROUND
DISTRIBUTION
0670.4
X13004
BMW
2
0
1
LIGHT SWITCH
DETAILS
6300.0
GROUND
DISTRIBUTION
0670.4
X498
1
4 X647
S42y
RH REAR DOOR
POWER WINDOW
SWITCH (DOOR)
0) OFF
1) OPEN
2) CLOSE
3) OPEN AUTO-
MATICALLY
2
.5 GR/RT
X647
LIGHT SWITCH
DETAILS
6300.0
12
S130
CHILD PROTEC-
TION CONTROL
(CONSOLE)
1) OFF
2) ON
5
.5 WS/GE
3 X1243
2 X1243
2
0
1
2
0
1
X274
11
.5 WS/GN
9
10
.5 WS/GE
8 9 X273
.5 GN/BL
X13255
.5 WS/GE.5 WS/GN
8
.5 WS/GE .5 WS/GN
GROUND
DISTRIBUTION
0670.4

Table of Contents

Related product manuals