EasyManua.ls Logo

BMW E36 - Page 174

BMW E36
386 pages
Print Icon
To Next Page IconTo Next Page
To Next Page IconTo Next Page
To Previous Page IconTo Previous Page
To Previous Page IconTo Previous Page
Loading...
8 2
2
.5
SW/
GE
BMW
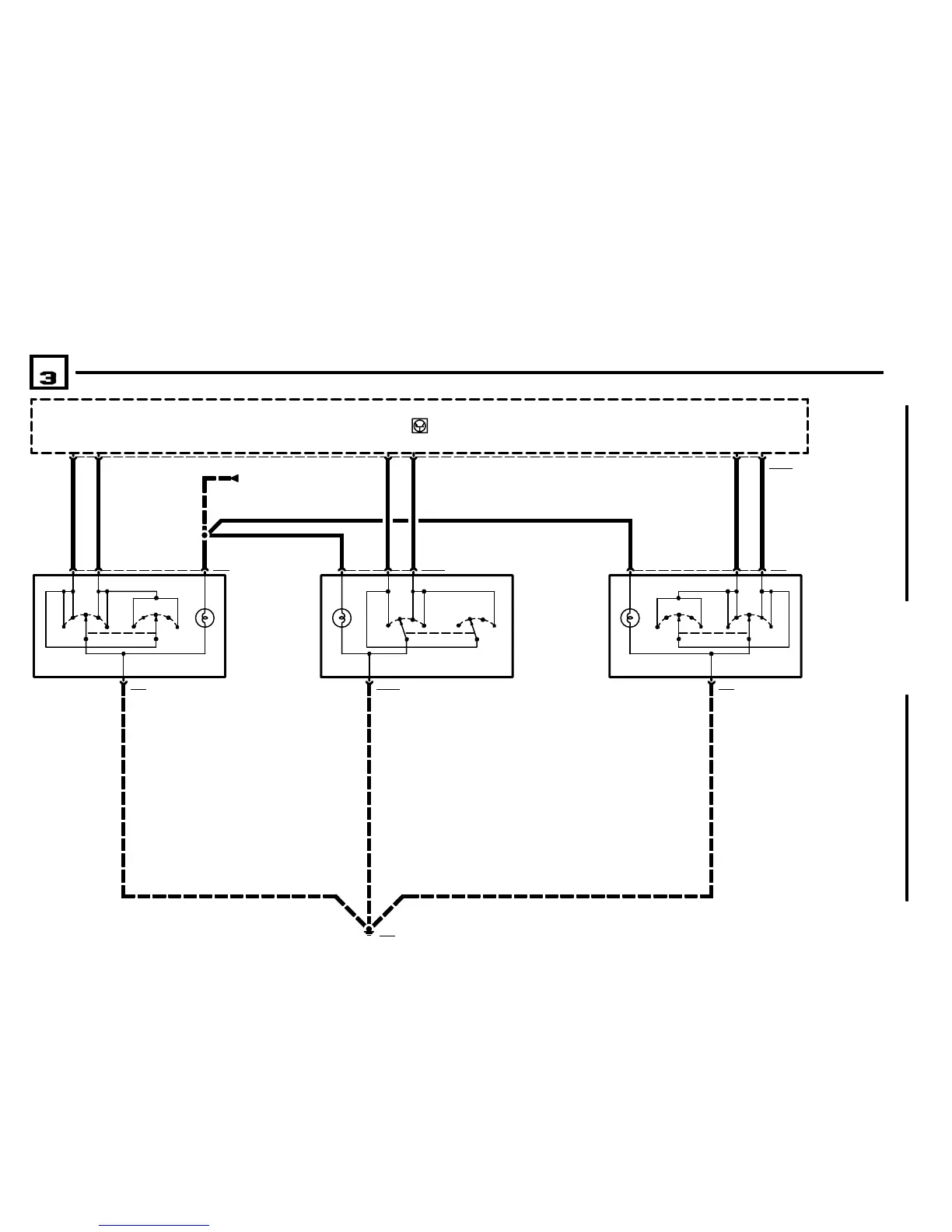
POWER WINDOWS (FH)
INPUT DETAILS
04/99
5133.1Ć
1998
03
CONVERTIBLE
3
4 X317
0
4
12
LIGHT SWITCH
DETAILS
6300.0
S128z
LH REAR POWER
WINDOW SWITCH
0) OFF
1) OPEN WINDOW
2) CLOSE
WINDOW
3) OPEN AUTO.
4) CLOSE AUTO.
A104
BODY
ELECTRONICS
CONTROL MODULE
(ZKE IV)
.5 BL/GN
1
3
0
4
12
.5 GR/RT
3 X317
GROUND
DISTRIBUTION
0670.4
3 9 X13255
1
.5
BL/
GE
X320
4
4 X320
0
3
21
S129z
RH REAR POWER
WINDOW SWITCH
0) OFF
1) OPEN WINDOW
2) CLOSE
WINDOW
3) OPEN AUTO.
4) CLOSE AUTO.
.5 SW/RT
2
4
0
3
21
.5 GR/RT
3
GROUND
DISTRIBUTION
0670.4
10 4
2
.5
WS/
GN
X13262
2
4 X13262
0
1
S40y
CENTRAL POWER
WINDOW SWITCH
0) OFF
1) OPEN WINDOW
2) CLOSE
WINDOW
.5 WS/GE
1
.5 GR/RT
3
GROUND
DISTRIBUTION
0670.4
X498
BMW
2
0
1

Table of Contents

Related product manuals