EasyManua.ls Logo

BMW E36 - Page 189

BMW E36
386 pages
Print Icon
To Next Page IconTo Next Page
To Next Page IconTo Next Page
To Previous Page IconTo Previous Page
To Previous Page IconTo Previous Page
Loading...
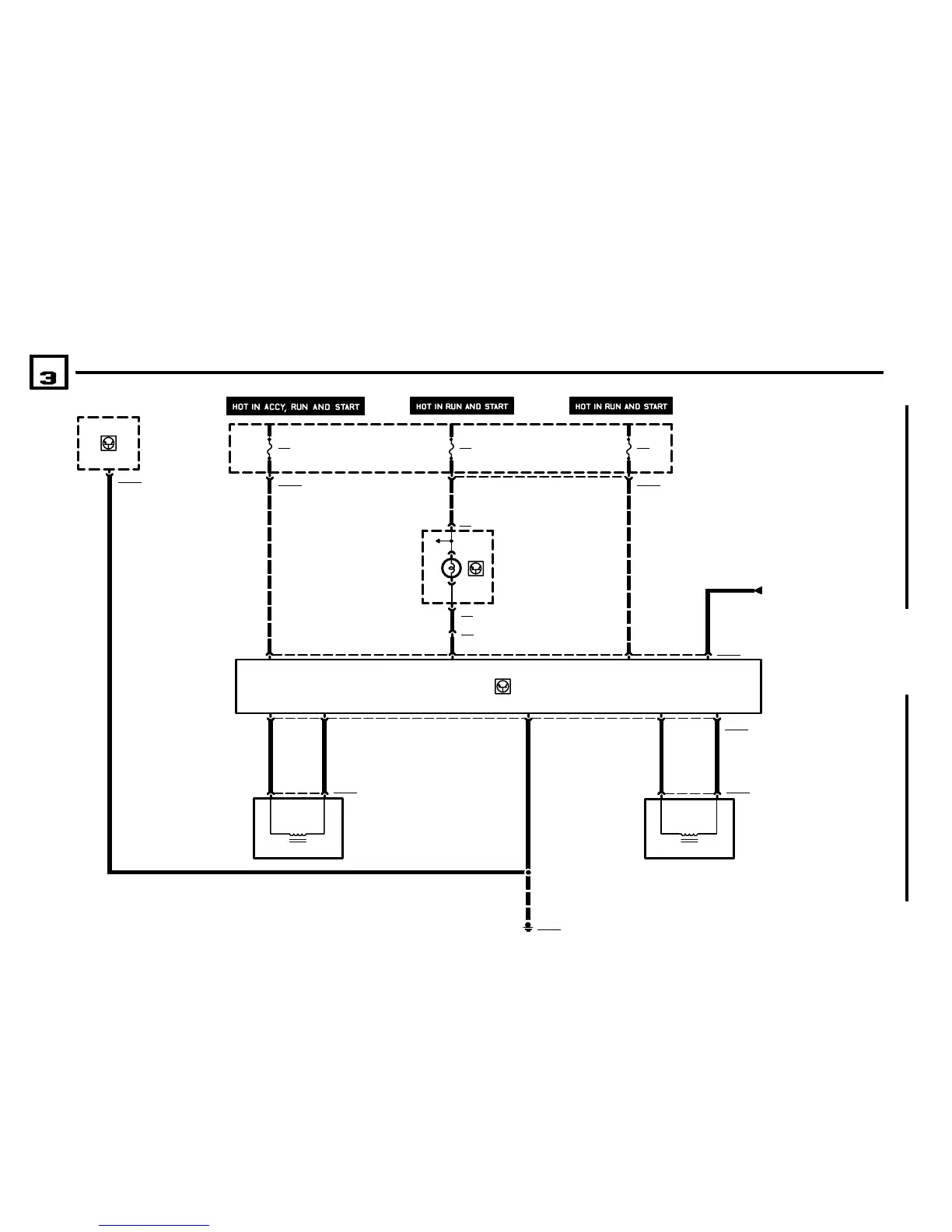
BMW
ROLLOVER SENSOR
04/99
5430.1Ć
1998
03
ELECTRICAL CONVERTIBLE TOP
X13230
GROUND
DISTRIBUTION
0670.4
10 X16
.35 WS/BL
212
A96
CONVERTIBLE TOP
CONTROL MODULE
P90
FRONT POWER
DISTRIBUTION BOX
F42
7.5A
X10018
24
FUSE DETAILS
0670.3
F27
5A
14
23
FUSE DETAILS
0670.3
F24
10A
X10017
8
6
FUSE DETAILS
0670.3
8
X1315925
N24
ROLLOVER
SENSOR
1
.5 SW/VI
17
X13226
Y86
RH ROLLOVER
PROTECTION
ACTUATOR
2
.5 SW/GN
21
1
.5 SW/WS
4
X13227
Y85
LH ROLLOVER
PROTECTION
ACTUATOR
2
.5 SW/BL
5
11
A2w
INSTRUMENT
CLUSTER
8) ROLLOVER
PROTECTION
WARNING
LIGHT
.35 WS/BL
30 X14
X16
X13044
X13044
.5 BR/OR .75 BR/OR
.35 WS/VI
20
DATA LINK
0670.5

Table of Contents

Related product manuals