EasyManua.ls Logo

BMW E36 - Page 190

BMW E36
386 pages
Print Icon
To Next Page IconTo Next Page
To Next Page IconTo Next Page
To Previous Page IconTo Previous Page
To Previous Page IconTo Previous Page
Loading...
BMW
04/99
5430.1Ć
1998
04
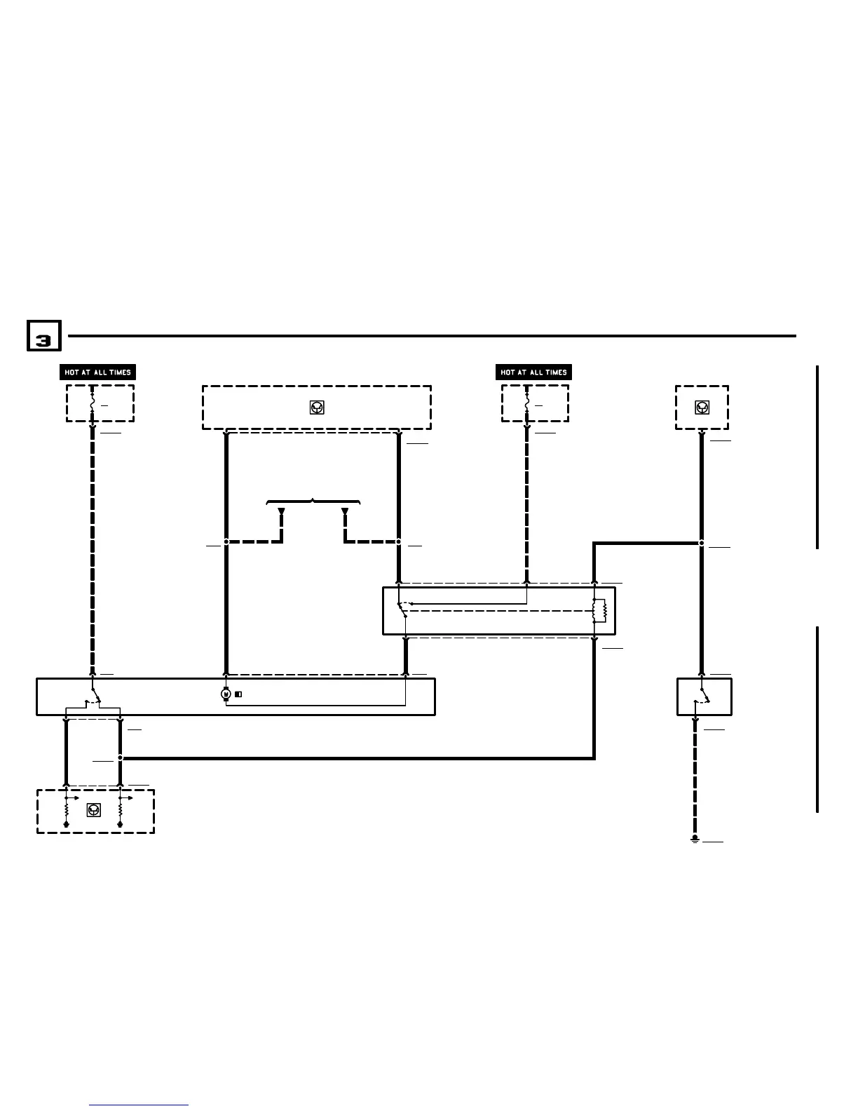
ELECTRICAL CONVERTIBLE TOP
16
M17
LUGGAGE
COMPARTMENT
LOCK MOTOR
1) LOCK
2) UNLOCK
A104
BODY
ELECTRONICS
CONTROL MODULE
(ZKE IV)
X13253
3 2 1 X315
1.5 BL/GR
K117
LUGGAGE
COMPARTMENT
LID RELAY
5 9 X10226
2
.35 WS/BL
X3111
.5 WS/GN/GE
F7
5A
X10015
14
FUSE DETAILS
0670.3
P90
FRONT POWER
DISTRIBUTION BOX
31
3
31
X311
12
X1001514
FUSE DETAILS
0670.3
2
X102268
6
1.5 WS
X10228
.5 WS/GN/GE
.5 WS/GN/GE
1.5 WS
(PARTIAL)
A104
BODY
ELECTRONICS
CONTROL MODULE
(ZKE IV)
X13252
92
X453
A104
BODY
ELECTRONICS
CONTROL MODULE
(ZKE IV)
S214
CONVERTIBLE TOP
STORAGE LID
MICRO SWITCH
1) LID CLOSED
2) LID OPEN
2
4
12
X10227
1
X10227
ZKE CENTRAL
LOCKING (ZV)
5126.0
2.5 WS2.5 BL/GR
X13254
GROUND
DISTRIBUTION
0670.4
X13006
.5 GN/WS/GE
.5 GN/WS/GE
.5 GN/WS/GE
F7
5A
P90
FRONT POWER
DISTRIBUTION BOX
X455
X10229

Table of Contents

Related product manuals