EasyManua.ls Logo

BMW E36 - Page 204

BMW E36
386 pages
Print Icon
To Next Page IconTo Next Page
To Next Page IconTo Next Page
To Previous Page IconTo Previous Page
To Previous Page IconTo Previous Page
Loading...
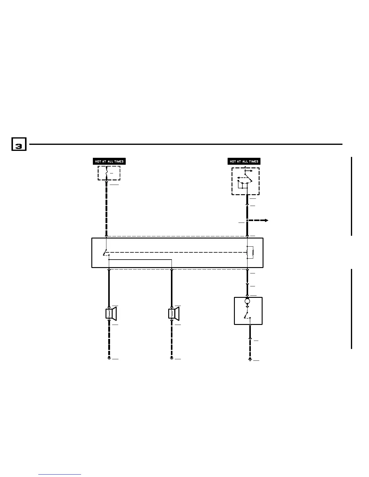
X173
GROUND
DISTRIBUTION
0670.4
BMW
04/99
6133.0Ć 00
6133.0 HORN
P90
FRONT POWER
DISTRIBUTION BOX
F8
15A
X10015
16
FUSE DETAILS
0670.3
6
2.5 VI
2
2.5 VI
X223
POWER
DISTRIBUTION
0670.2
.5 VI
8 X56
30
2
1 VI/BL
2
H2
LEFT HORN
1
1 VI/BL
2
1
H3
RIGHT HORN
86
85
.5 BR/RT
.5 BR/RT
1 X168
4
X56
11 X32
1998
K2
HORN RELAY
S4
HORN SWITCH
S2
IGNITION SWITCH
0) OFF
1) ACCESSORY
2) RUN
3) START
X33
X132
X132
X133
X133
2 X209
87
2
1
0
3
R
GROUND
DISTRIBUTION
0670.4
GROUND
DISTRIBUTION
0670.4
X165 X165
1 X32
.35 BR
5

Table of Contents

Related product manuals