EasyManua.ls Logo

BMW E36 - Page 217

BMW E36
386 pages
Print Icon
To Next Page IconTo Next Page
To Next Page IconTo Next Page
To Previous Page IconTo Previous Page
To Previous Page IconTo Previous Page
Loading...
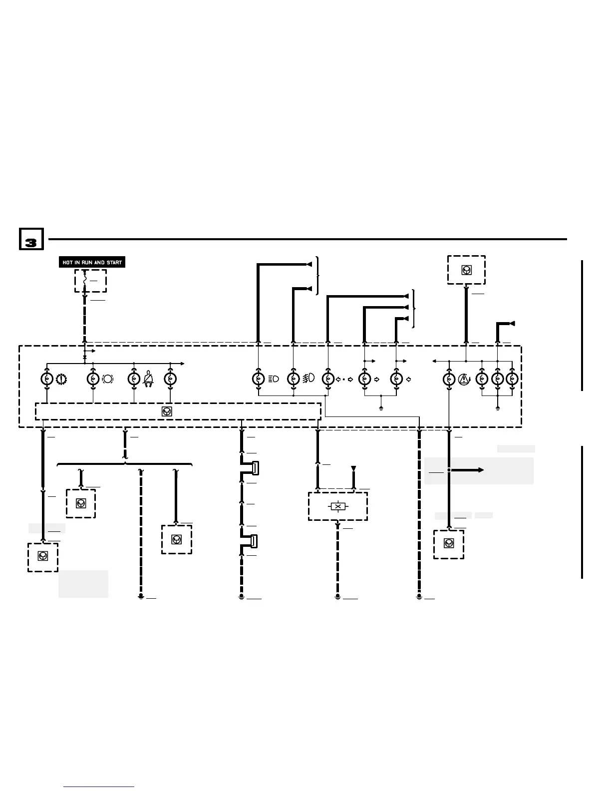
42
X7000
6CYLINDER
WITH ASC
.35 GR/SW/GE .5 GR/
SW/GE
25
INDICATORS
BMW
04/99
6211.0Ć
1998
01
INSTRUMENT CLUSTER
3
GROUND
DISTRIBUTION
0670.4
A2w
INSTRUMENT
CLUSTER
12) FUEL RESERVE
HEADLIGHTS/FOG
LIGHTS
6312.0
TURN/HAZARD
LIGHTS
6313.0
LIGHT SWITCH
DETAILS
6300.0
.75 GE/BR
8
.35 WS
X161
.5 BL/GN
4
.5 BL/BR
3X171
.5 GR/RT
X162
5 19 X16
.5 GR/BR
.5 GR/BR
A8500
TRANSMISSION
CONTROL MODULE
(EGS)
2 X713
X1322
.5 GE
X8500
X6925
2X118
1 X713
.5 GE
B16
LEFT FRONT
BRAKE PAD
SENSOR
GROUND
DISTRIBUTION
0670.4
.5 GE
B17
RIGHT REAR
BRAKE PAD
SENSOR
12
23
X13006
31
F27
5A
P90
FRONT POWER
DISTRIBUTION BOX
31
14 X10017
FUSE DETAILS
0670.3
2
1 X778
15 X13
.5 BL/VI/GE
14
.5 BL/VI/GE
S58
DRIVERS SEAT
BELT SWITCH
1) BELT
UNBUCKLED
2) BELT BUCKLED
GROUND
DISTRIBUTION
0670.4
X173
N4
ONBOARD
COMPUTER
X16
.35 BL/VI/WS
24 X17
15 X1070
N10
MULTIFUNCTION
CLOCK
X13009
.5 WS/RT
3 X778
.5 BL/GN/GE
A7000
TRANSMISSION
CONTROL MODULE
(EGS)
21 X17
A202
ABS CONTROL
MODULE/HY-
DRAULIC UNIT
16 X11394
GROUND
DISTRIBUTION
0670.4
X173
X1712
.5 BL/BR
.5 BL/BR
A52
SLIP CONTROL
MODULE
(ABS/ASC)
X10100
SLIP CONTROL
(ABS/ASC)
3450.1
.5 BL/BR
WITH ABS
X16
X1181
A35
ONBOARD
DISPLAY
323i 328i, M3
X117144
25
A52
SLIP CONTROL
MODULE
(ABS/ASC)
40 X1170
X1170 318is
4CYLINDER
WITH ASC
SUPPLEMENTAL
RESTRAINT
SYSTEM (AIR BAG)
3234.0

Table of Contents

Related product manuals