EasyManua.ls Logo

BMW E36 - Page 218

BMW E36
386 pages
Print Icon
To Next Page IconTo Next Page
To Next Page IconTo Next Page
To Previous Page IconTo Previous Page
To Previous Page IconTo Previous Page
Loading...
80
43
X8071
318is
A836
ELECTRONIC
IMMOBILIZER
CONTROL MODULE
(EWS II)
323i, 328i, M3
FUSE DETAILS
0670.3
F23
5A
P90
FRONT POWER
DISTRIBUTION BOX
F46
15A
F31
5A
4
16 X1622
FUSE DETAILS
0670.3
FUSE DETAILS
0670.3
X100176
32 X100182
X17
BMW
04/99
6211.0Ć
1998
02
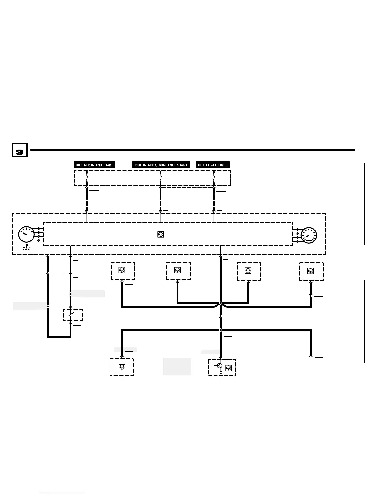
INSTRUMENT CLUSTER
INDICATORS
A2w
INSTRUMENT
CLUSTER
3) ENGINE SPEED
INPUT
7) TACHOMETER
X20
X6256
1
B6232
ENGINE COOLANT
TEMPERATURE
SENSOR
18
X1620
.5 SW
.5 BR/VI
A6000
ENGINE CONTROL
MODULE (DME)
X6000
36
3
X8015
TACHOMETER
.5 SW .5 SW
.5 SW
.5 BR/VI
X17
11 12
X20
2
X6256
X60021
17
.5 BR/GE
.5 BR/GE
D100
DATA LINK
CONNECTOR
A8500
TRANSMISSION
CONTROL MODULE
(EGS)
X1047
TEMPERATURE
GAUGE
A115
AUTOMATIC
CLIMATE CONTROL
MODULE
6 X1527
.35 SW
X1005411
.35 SW
40 X8500
.5 SW
20
.5 SW
X8051
.5 BR/VI
.5 BR/GE
TD
31
7
TD
TD
318is
X7000
A7000
TRANSMISSION
CONTROL
MODULE (EGS)
TD
A8
CRUISE CONTROL
MODULE
(TEMPOMAT)
8 X22
.35 SW
TD
A52
SLIP CONTROL
MODULE
(ABS/ASC)
41 X1171
.5 SW
TD
.35 SW
12 X1659
323i, 328i, M3
323i, 328i, M3

Table of Contents

Related product manuals