EasyManua.ls Logo

BMW E36 - INSTRUMENT CLUSTER SIGNAL-OUTPUT SPEEDOMETER

BMW E36
386 pages
Print Icon
To Next Page IconTo Next Page
To Next Page IconTo Next Page
To Previous Page IconTo Previous Page
To Previous Page IconTo Previous Page
Loading...
BMW
04/99
6211.0Ć
1998
03
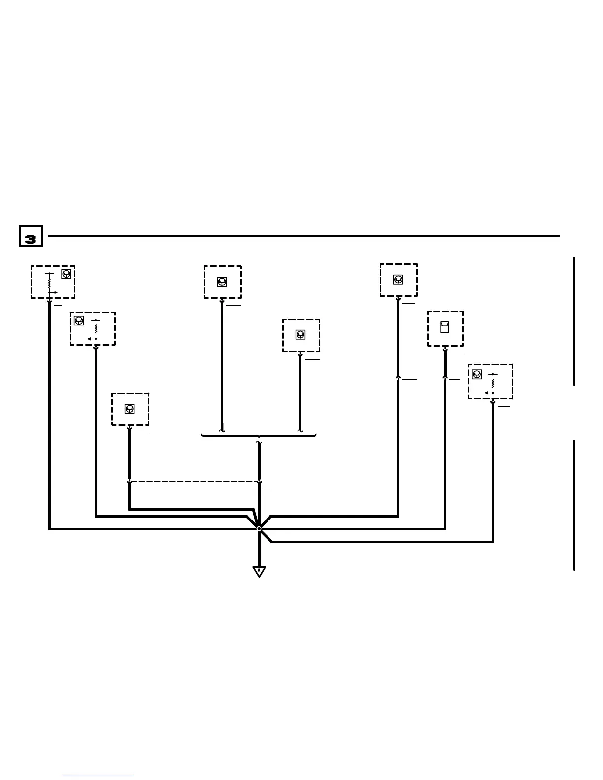
INSTRUMENT CLUSTER
SIGNALOUTPUT SPEEDOMETER
.35 SW/WS
R
A8
CRUISE CONTROL
MODULE
(TEMPOMAT)
X22
10
6211.0-04
TACH
X15275
.35 SW/WS
X188
.5 SW/WS
X100543
A115
AUTOMATIC
CLIMATE CONTROL
MODULE
.35 SW/WS
TACH
X1812610
X322
3
.5 SW/WS
.5 SW/WS
N9
RADIO
TACH
X107013
.35 SW/WS
N4
ONBOARD
COMPUTER
N10
MULTIFUNCTION
CLOCK
TACH
R
X1315913
A96
CONVERTIBLE TOP
CONTROL MODULE
X1429
TACH
A64
WIPER/WASHER
MODULE (LOW II)
15
X2855
.35 SW/WS
X102661
.35 SW/WS
A18
HIFI AMPLIFIER
CONVERTIBLE TWODOOR
FOURDOOR
A51
WIPER/WASHER
MODULE
.5 SW/WS
TACH
TACH
WITH TOP HIFI
X102661
A18
HIFI AMPLIFIER
TACH
WITH TOP HIFI
10
CONVERTIBLE
.35 SW/WS
.5 SW/WS
.5 SW/WS

Table of Contents

Related product manuals