EasyManua.ls Logo

BMW E36 - Page 248

BMW E36
386 pages
Print Icon
To Next Page IconTo Next Page
To Next Page IconTo Next Page
To Previous Page IconTo Previous Page
To Previous Page IconTo Previous Page
Loading...
BMWBMWBMWBMW
04/99
6330.3Ć
1998
06
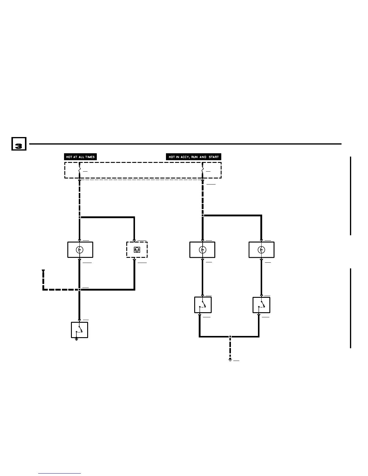
INTERIOR LIGHTS
F33
10A
6
E32
LUGGAGE
COMPARTMENT
LIGHT
X712
1
.75 RT/WS
FUSE DETAILS
0670.3
X711
X180801
.75 BR/WS
1
12
S61y
LUGGAGE
COMPARTMENT
LIGHT SWITCH
1) TRUNK
CLOSED
2) TRUNK OPEN
.75 BR/WS
X465
LICENSE PLATE/
LUGGAGE
COMPARTMENT
LIGHTS
6320.0
12
X495
E35
DRIVERS
MAKEUP MIRROR
LIGHT
X381
3
X381
1
.5 VI/WS
.5 BR
E36
PASSENGERS
MAKEUP MIRROR
LIGHT
X382
1
.5 BR
.5 VI/WS
S77
DRIVERS
MAKEUP MIRROR
SWITCH
1) OFF
2) ON
X401
X1245
S78
PASSENGERS
MAKEUP MIRROR
SWITCH
1) OFF
2) ON
X402
X1246
.5 BR .5 BR
GROUND
DISTRIBUTION
0670.4
11
11
26
FUSE DETAILS
0670.3
F43
5A
P90
FRONT POWER
DISTRIBUTION BOX
X1325212
A104
BODY
ELECTRONICS
CONTROL MODULE
(ZKE IV)
.75 RT/WS
12
X10018
X3823
X1325414
.5 BR/WS

Table of Contents

Related product manuals