EasyManua.ls Logo

BMW E36 - HEATING CONTROL (HR)

BMW E36
386 pages
Print Icon
To Next Page IconTo Next Page
To Next Page IconTo Next Page
To Previous Page IconTo Previous Page
To Previous Page IconTo Previous Page
Loading...
BMW
BMWBMW
BMW
04/99
6332.1Ć
1998
00
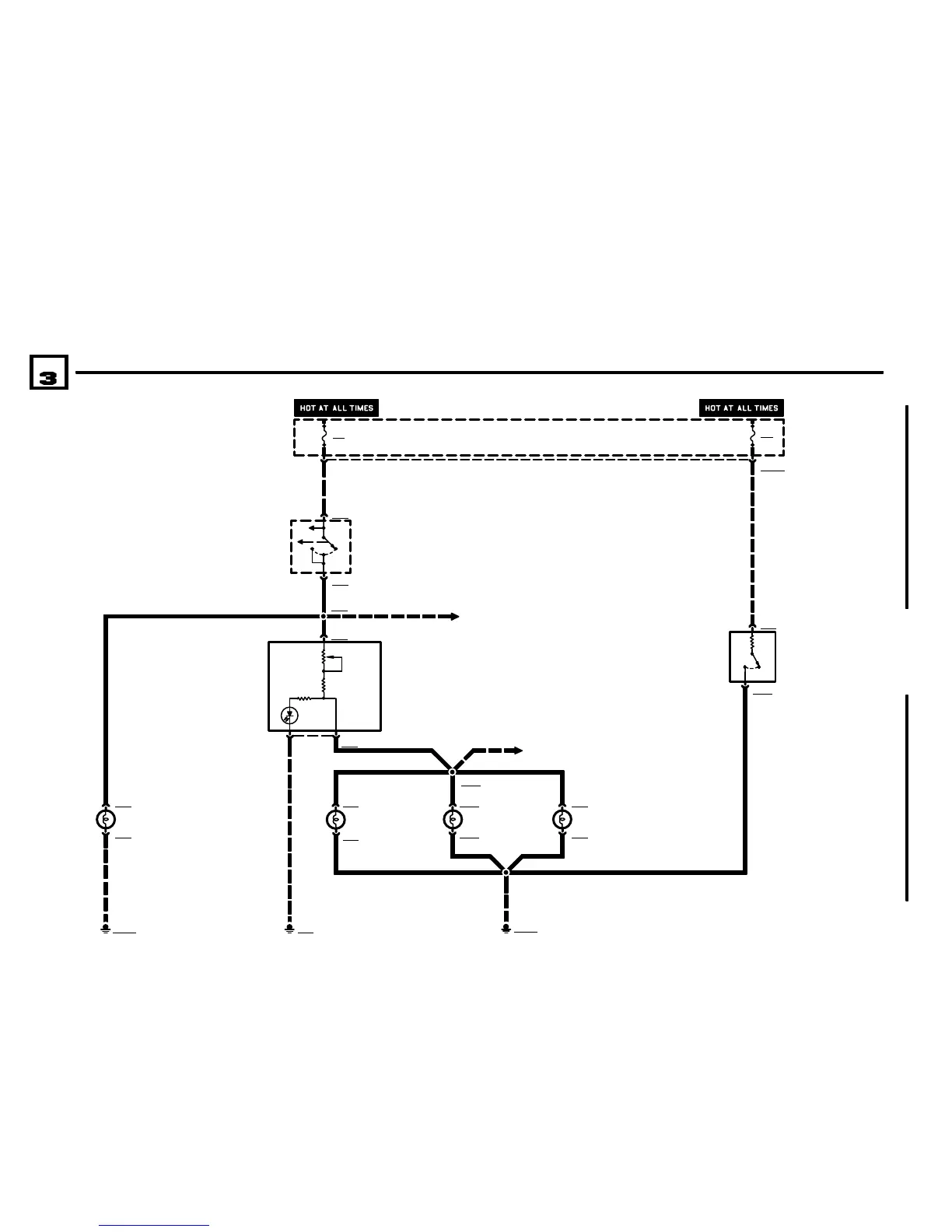
6332.1 GLOVE BOX LIGHT/CASSETTE BOX/ASHTRAY LIGHT/CHARGING SOCKET/CIGAR LIGHTER
P90
FRONT POWER
DISTRIBUTION BOX
F32
30A
LIGHT SWITCH
DETAILS
6300.0
X10018
4
14
F37
10A
3 X517
4 X5172
11
1
S8
LIGHT SWITCH
0) OFF
1) PARK LIGHTS ON
2) HEADLIGHTS ON
FUSE DETAILS
0670.3
.75 GR/SW
.75 GR/SW
X503
FUSE DETAILS
0670.3
N3
DIMMER
E45y
CASSETTE BOX
LIGHT
X706
X706
.5 GR/SW
2
1
.5 GR/RT
E28y
REAR ASHTRAY
LIGHT
X386
X386
2
1
.5 GR/RT
E25
FRONT ASHTRAY
LIGHT
X1213
X1213
2
1
.5 GR/RT
E29
FRONT CIGAR
LIGHTER LIGHT
X532
X532
2
1
.5 GR/RT
X1019
.5 BR .5 BR .5 BR
LIGHT SWITCH
DETAILS
6300.0
X10141
1 X531
E28
FRONT CIGAR
LIGHTER
GROUND
DISTRIBUTION
0670.4
GROUND
DISTRIBUTION
0670.4
2.5 BR
X503
X196
X173
GROUND
DISTRIBUTION
0670.4
0
2
1
X10012
X10012

Table of Contents

Related product manuals