EasyManua.ls Logo

BMW E36 - Page 259

BMW E36
386 pages
Print Icon
To Next Page IconTo Next Page
To Next Page IconTo Next Page
To Previous Page IconTo Previous Page
To Previous Page IconTo Previous Page
Loading...
X292
BMWBMWBMWBMW
2 X2928
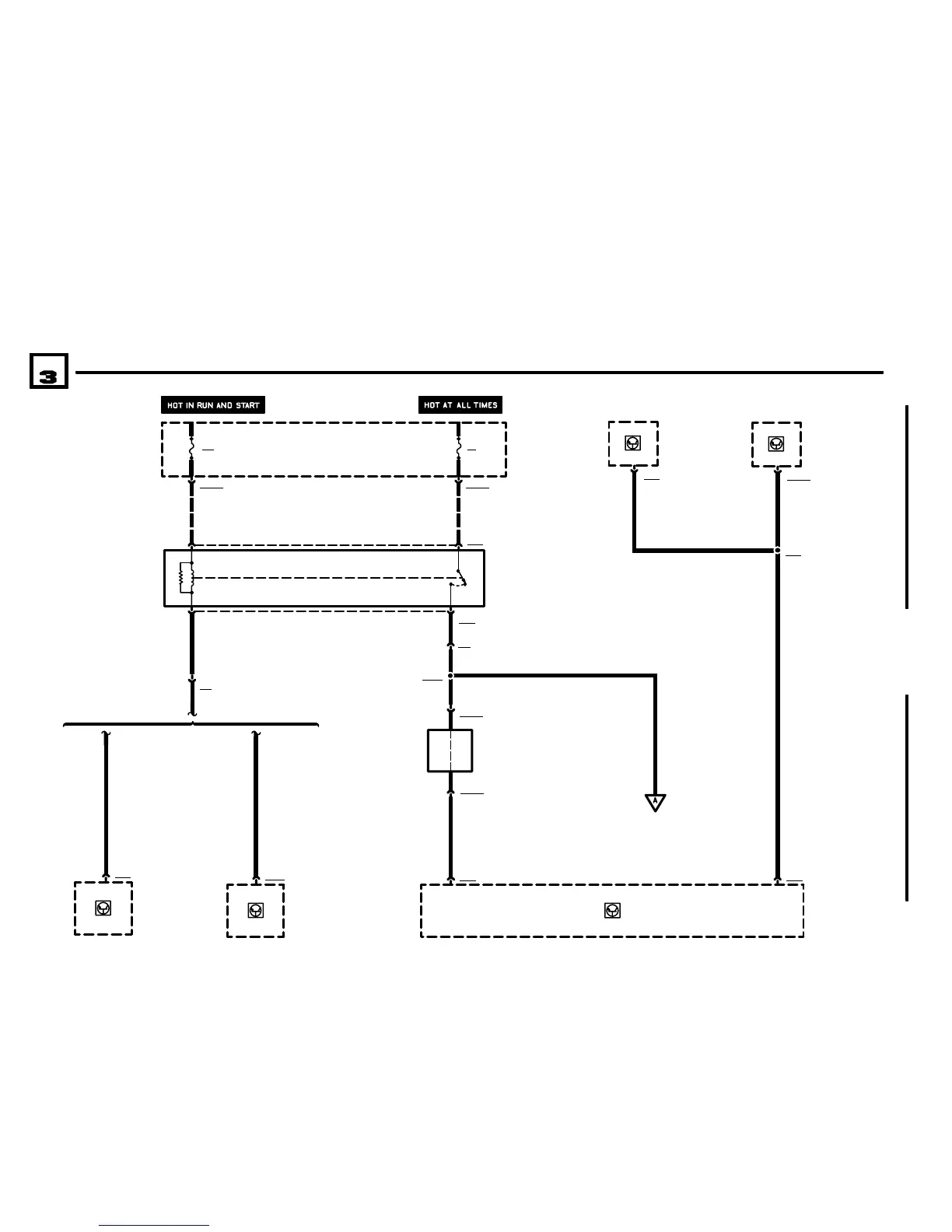
REAR WINDOW DEFOGGER/ANTENNA
04/99
6424.0Ć
1998
01
P90
FRONT POWER
DISTRIBUTION BOX
F6
30A
K13
REAR DEFOGGER
RELAY
86
85
30
87
2.5 SW
.5 BL/SW
6 X10017 12 X10015
4 6
9 X13
F23
5A
FUSE DETAILS
0670.3
FUSE DETAILS
0670.3
2.5 SW
X1226
2.5 SW 2.5 SW
X379
N8
ANTENNA
AMPLIFIER AM/FM
1
X4241
A18
HIFI AMPLIFIER
2 X605
N9
RADIO
16 X18126
.5 WS .5 WS
.5 WS
X830
X11205
X11208
E100y
HARD TOP
CONNECTOR 2
2
2
2.5 SW
7
X35
A115
AUTOMATIC
CLIMATE CONTROL
MODULE
.35 BR/GE
A32y
THERMOSTAT
.5 BR/WS
12 X1527
4 X899
WITH HR WITH IHKA
6424.0-02
CONVERTIBLE

Table of Contents

Related product manuals