EasyManua.ls Logo

BMW E36 - Page 260

BMW E36
386 pages
Print Icon
To Next Page IconTo Next Page
To Next Page IconTo Next Page
To Previous Page IconTo Previous Page
To Previous Page IconTo Previous Page
Loading...
X1780
2
BMWBMWBMWBMW
4 X1780
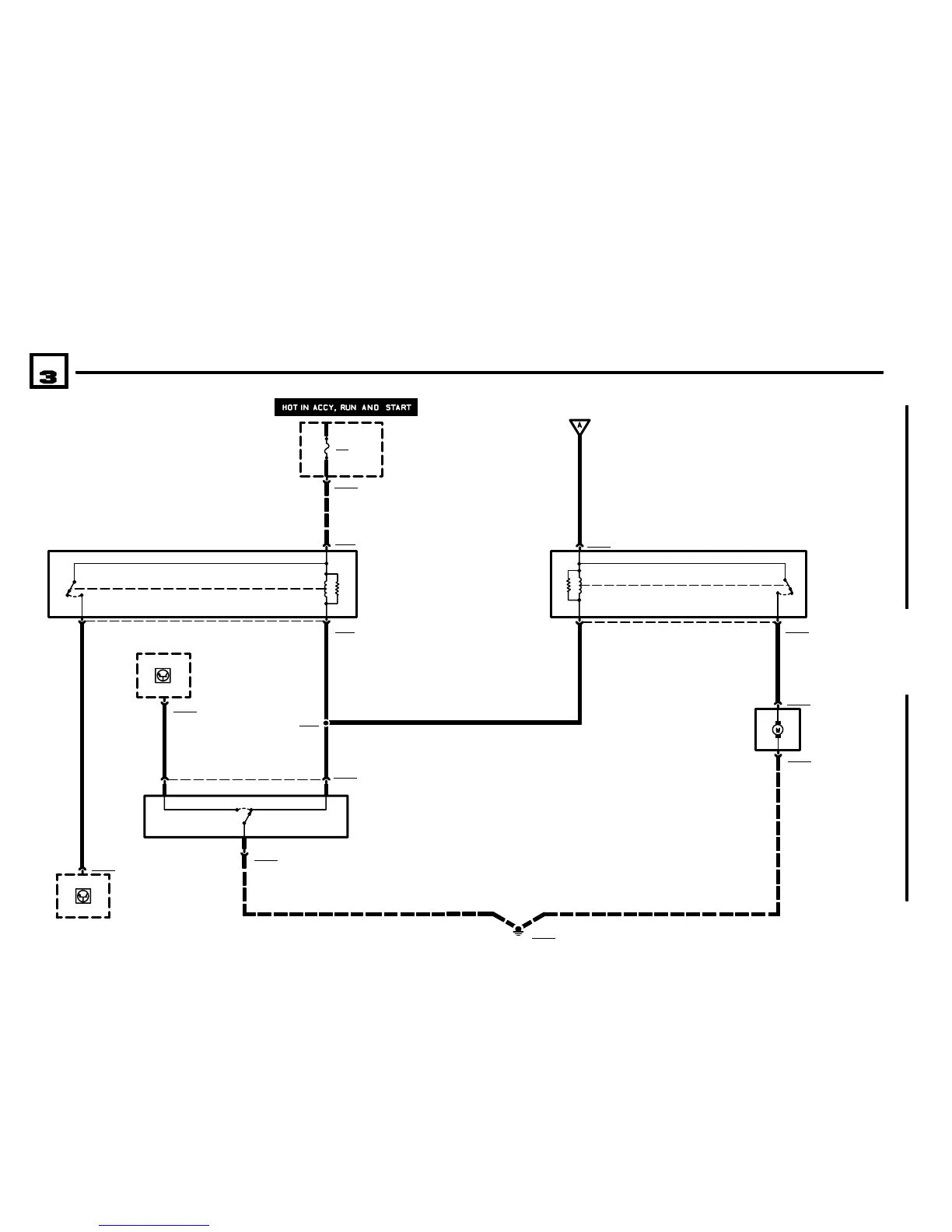
REAR WINDOW DEFOGGER/ANTENNA
04/99
6424.0Ć
1998
02
P90
FRONT POWER
DISTRIBUTION BOX
K128
SPATIAL SOUND
RELAY
.35 VI/GE
26 X10018
6
X10266
F43
5A
FUSE DETAILS
0670.3
2 X100924
6
A96
CONVERTIBLE TOP
CONTROL MODULE
8 X13159
.35 BR/GE
X1783
X1314332
X13006
1 X13143
X131421
2 X13142
GROUND
DISTRIBUTION
0670.4
GROUND
DISTRIBUTION
0670.4
M105
REAR WINDOW
BLOWER
S196
REAR WINDOW
BLOWER MICRO
SWITCH
1) CONVERTIBLE
TOP RAISED
UP
2) CONVERTIBLE
TOP DOWN
2.5 RT/SW
.5 GN/SW
21
X10092
A18
HIFI AMPLIFIER
6424.0-01
2.5 SW
.35 BR/GE
.35 BR/GE
K99
REAR WINDOW
BLOWER RELAY
CONVERTIBLE
2

Table of Contents

Related product manuals