EasyManua.ls Logo

BMW E36 - Page 339

BMW E36
386 pages
Print Icon
To Next Page IconTo Next Page
To Next Page IconTo Next Page
To Previous Page IconTo Previous Page
To Previous Page IconTo Previous Page
Loading...
BMWBMWBMWBMW
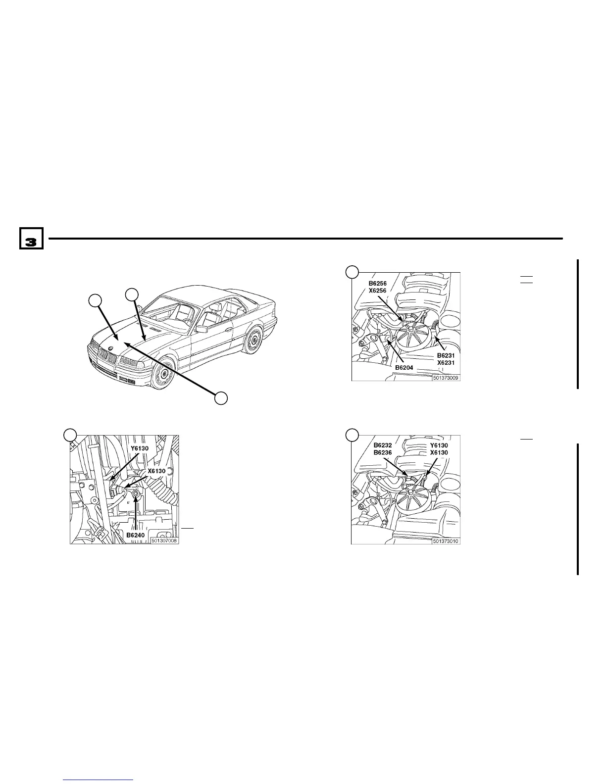
COMPONENT LOCATION VIEWS
04/99
7100.0Ć
1998
11
2
B6204
CAMSHAFT
POSITION SENSOR
(CYLINDER
IDENTIFICATION)
B6232
ENGINE COOLANT
TEMPERATURE
SENSOR
B6240
KNOCK SENSOR
Y6130
IDLE SPEED
CONTROL VALVE
X6130
B6231
OIL PRESSURE
SWITCH
B6256
DUAL
TEMPERATURE
SENSOR
(COOLANT
TEMPERATURE)
X6231
X6256
B6236
ENGINE COOLANT
TEMPERATURE
SENSOR
X6130
3
1
2
Y6130
IDLE SPEED
CONTROL VALVE
1
3

Table of Contents

Related product manuals