EasyManua.ls Logo

BMW E36 - Page 340

BMW E36
386 pages
Print Icon
To Next Page IconTo Next Page
To Next Page IconTo Next Page
To Previous Page IconTo Previous Page
To Previous Page IconTo Previous Page
Loading...
BMWBMWBMWBMW
COMPONENT LOCATION VIEWS
04/99
7100.0Ć
1998
12
3
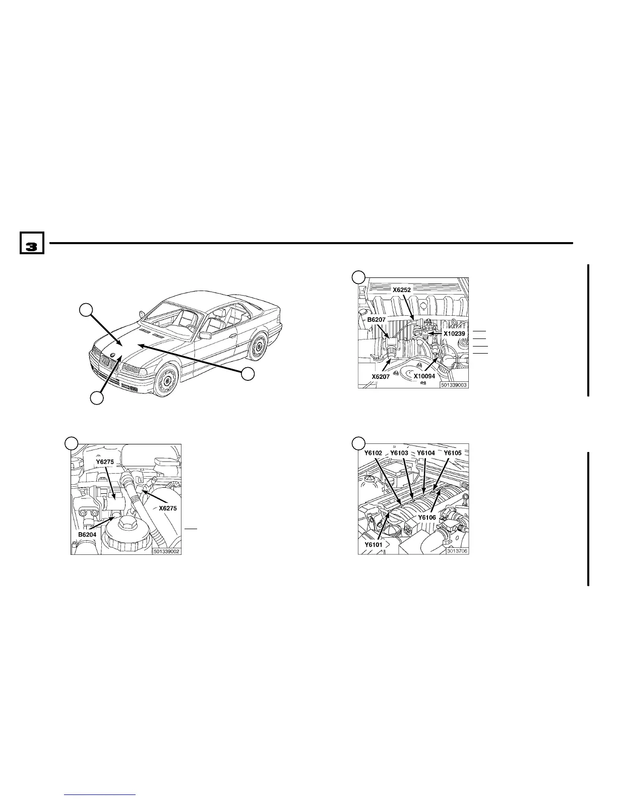
B6207
HOT FILM AIR
MASS METER
Y6101
CYL. 1 FUEL
INJECTION VALVE
B6204
CAMSHAFT
POSITION SENSOR
(CYLINDER
IDENTIFICATION)
X6275
Y6102
CYL. 2 FUEL
INJECTION VALVE
Y6103
CYL. 3 FUEL
INJECTION VALVE
Y6104
CYL. 4 FUEL
INJECTION VALVE
Y6105
CYL. 5 FUEL
INJECTION VALVE
Y6106
CYL. 6 FUEL
INJECTION VALVE
X6207
X6252
X10094
2
1
3
1
2
Y6275
VARIABLE CAM-
SHAFT CONTROL
VALVE 1
X10239

Table of Contents

Related product manuals