EasyManua.ls Logo

BMW Z3 E37 1998 - Page 179

BMW Z3 E37 1998
347 pages
Print Icon
To Next Page IconTo Next Page
To Next Page IconTo Next Page
To Previous Page IconTo Previous Page
To Previous Page IconTo Previous Page
Loading...
paragon.myvnc.com
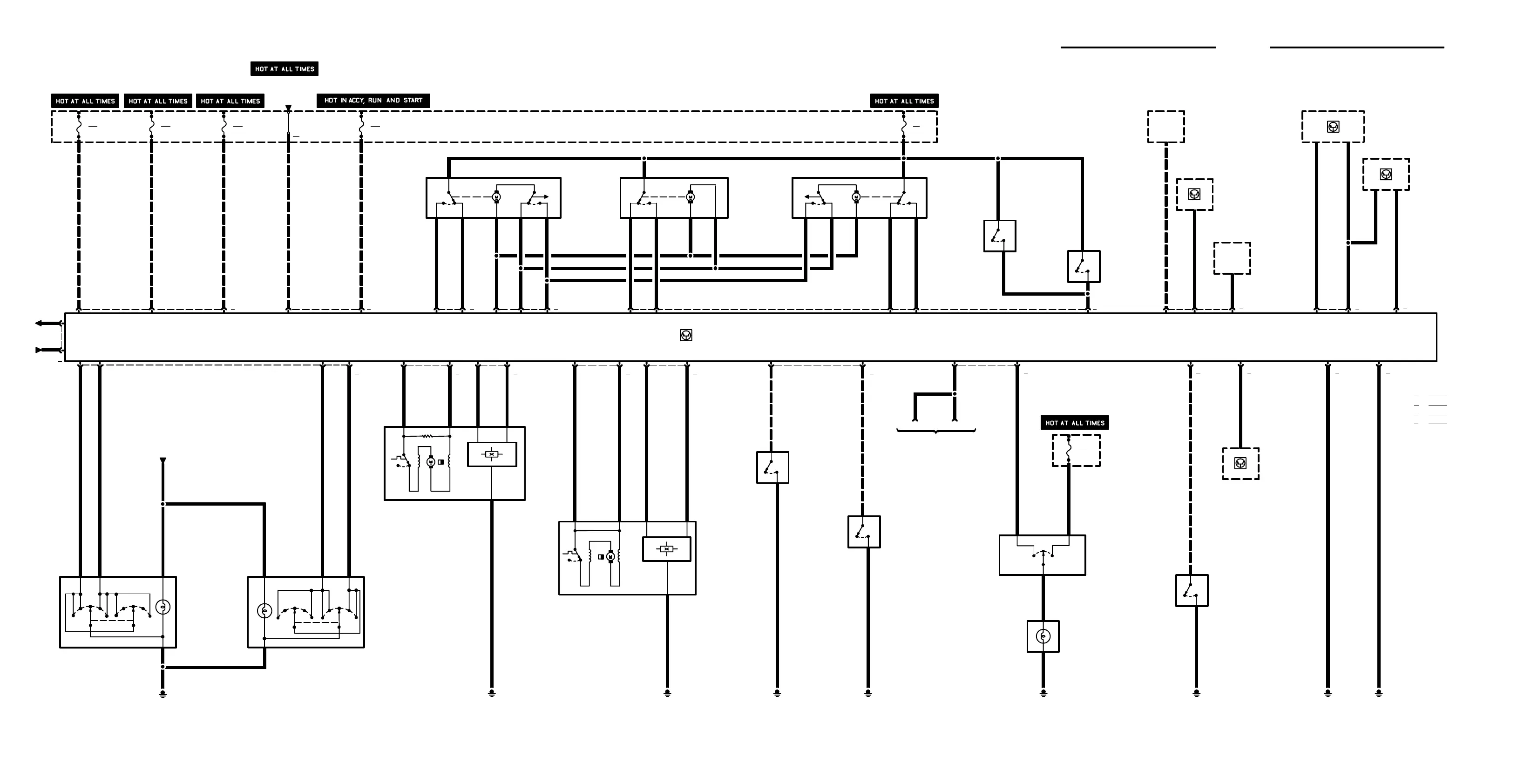
C
6BC
B
04/99
6100.0
1998
C 26
F35
25A
A104
BODY
ELECTRONICS
CONTROL MODULE
(ZKE IV)
7
M23
PASSENGERS
WINDOW
MOTOR
15 B4
S13
PASSENGERS
DOOR JAMB
SWITCH
M21
DRIVERS WINDOW
MOTOR
S14
DRIVERS DOOR
JAMB SWITCH
D
924714 82313
S127y
PASSENGERS
POWER WINDOW
SWITCH
S126y
DRIVERS POWER
WINDOW SWITCH
LIGHT SWITCH
DETAILS
6300.0
B
F33
10A
10
12
5133.1-01
5133.1-01
P90
FRONT POWER
DISTRIBUTION BOX
F43
5A
18 4
C
4
N12w
ANTITHEFT
CONTROL MODULE
(ALPINE)
6575.2-00
5133.1-02
5133.1-00
A836
ELECTRONIC
IMMOBILIZER
CONTROL MODULE
(EWS II)
6135.0-01
5133.1-02
5133.1-00
X10182
X13252
X13253
X13254
A =
B
=
C
=
D
=
A15
17
A
9
11
RXD
TXD
F14
30A
B8
POWER
DISTRIBUTION
0670.2
F7
5A
9 D
M6510
STARTER
A12
6350.0-01
1
S8
LIGHT SWITCH
2
B
192114 163
M12
DRIVERS DOOR
LOCK MOTOR
5126.0-02
M17
LUGGAGE
COMPARTMENT
LOCK MOTOR
5126.0-03
152
M13
PASSENGERS
DOOR LOCK
MOTOR
5126.0-02
X2
C13
S47
DRIVERS DOOR
LOCK SWITCH
A5
5133.1-00
P90
FRONT POWER
DISTRIBUTION BOX
F33
10A
S408
INTERIOR LIGHT
SWITCH
5126.0-00
C
7
S826
LUGGAGE
COMPARTMENT
LIGHT SWITCH
6320.0-00
D
14
A12
SUPPLEMENTAL
RESTRAINT
SYSTEM CONTROL
MODULE
A
5126.0-00
S49
PASSENGERS
DOOR LOCK
SWITCH
5126.0-00
6300.0
N17
CRASH CONTROL
MODULE
30h
8
3
6330.3-00
6330.3-00
6320.0
1240.0-01
11
NOT USED
E800
FRONT LEFT
INTERIOR LIGHT
6330.3-00
6100.0 CENTRAL BODY ELECTRONICS (ZKE IV)

Related product manuals