EasyManua.ls Logo

BMW Z3 E37 1998 - Page 231

BMW Z3 E37 1998
347 pages
Print Icon
To Next Page IconTo Next Page
To Next Page IconTo Next Page
To Previous Page IconTo Previous Page
To Previous Page IconTo Previous Page
Loading...
paragon.myvnc.com
04/99
6450.6b
1998
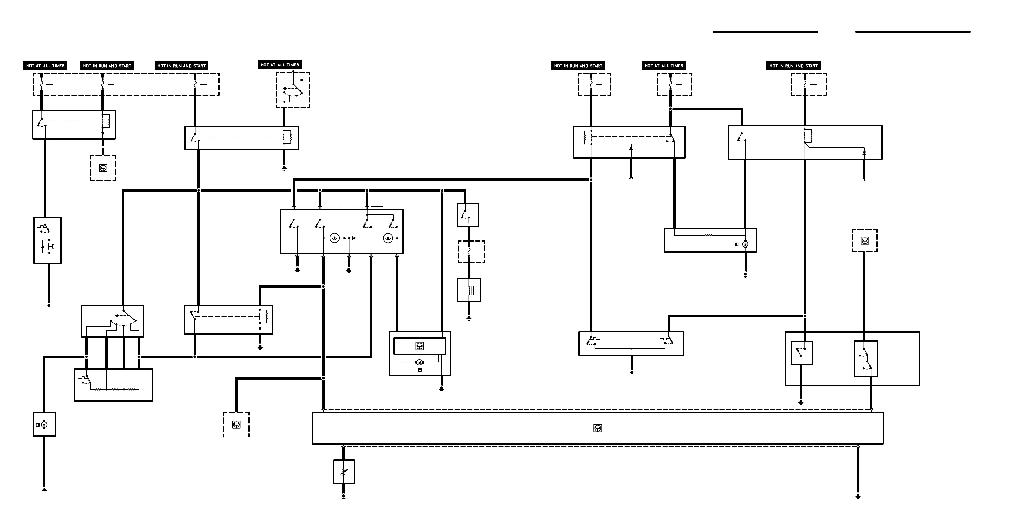
M ROADSTER
P97
AUXILIARY FUSE
BOX
K21
NORMAL SPEED
RELAY
S36
TEMPERATURE
SWITCH
K22
HIGH SPEED
RELAY
6450.6-08
6450.6-08
6450.6-08
F16
5A
F48
40A
A6000
ENGINE
CONTROL
MODULE (DME)
6450.6-08
P90
FRONT POWER
DISTRIBUTION BOX
P90
FRONT POWER
DISTRIBUTION BOX
F16
5A
M9
AUXILIARY FAN
MOTOR
6450.6-08
P90
FRONT POWER
DISTRIBUTION BOX
K19
COMPRESSOR
CONTROL RELAY
6450.6-07
F39
7.5A
F16
5A
Y2
AIR CONDITIONING
COMPRESSOR
6450.6-07
A6000
ENGINE CONTROL
MODULE (DME)
6450.6-07
K4
BLOWER RELAY
6450.6-05
F20
30A
S220
AIR CONDITION-
ING/RECIRCULAT-
ING SWITCH
ASSEMBLY
43
R11
BLOWER
RESISTORS
6450.6-05
S75
BLOWER SWITCH
6450.6-05
M30
BLOWER MOTOR
6450.6-05
1
2
5
8
S221
EVAPORATOR
CONTROLLER
3
A6000
ENGINE CONTROL
MODULE (DME)
6450.6-05
B14
EVAPORATOR
TEMPERATURE
SENSOR
6450.6-06
26
X18349
X18350
7 X18349
M111
FRESH AIR
RECIRCULATION
MOTOR
6450.6-06
S531
TEMPERATURE
WHEEL SWITCH
6450.6-06
A605
FUSE HOLDER
F953
2A
S2
IGNITION SWITCH
6450.6-05
6450.6-07
6450.6-05
6450.6-06
K33a
AIR CONDITIONING
RELAY, MOTRONIC
6450.6-05
6
Y4z
WATER VALVE
6450.6-06
B9
INTERMEDIATE
PRESSURE
SWITCH
B8y
PRESSURE
SWITCH
5 X18350
B9508
PRESSURE
SWITCH
6450.6-08 6450.6-08
NOT USED NOT USED
6450.6-08
6450.6-08
AUXILIARY FAN
INTEGRATED HEATING AND CLIMATE CONTROL

Related product manuals