EasyManua.ls Logo

BMW Z3 E37 1998 - Page 242

BMW Z3 E37 1998
347 pages
Print Icon
To Next Page IconTo Next Page
To Next Page IconTo Next Page
To Previous Page IconTo Previous Page
To Previous Page IconTo Previous Page
Loading...
paragon.myvnc.com
BM
BMW
BMWBMW
Z3
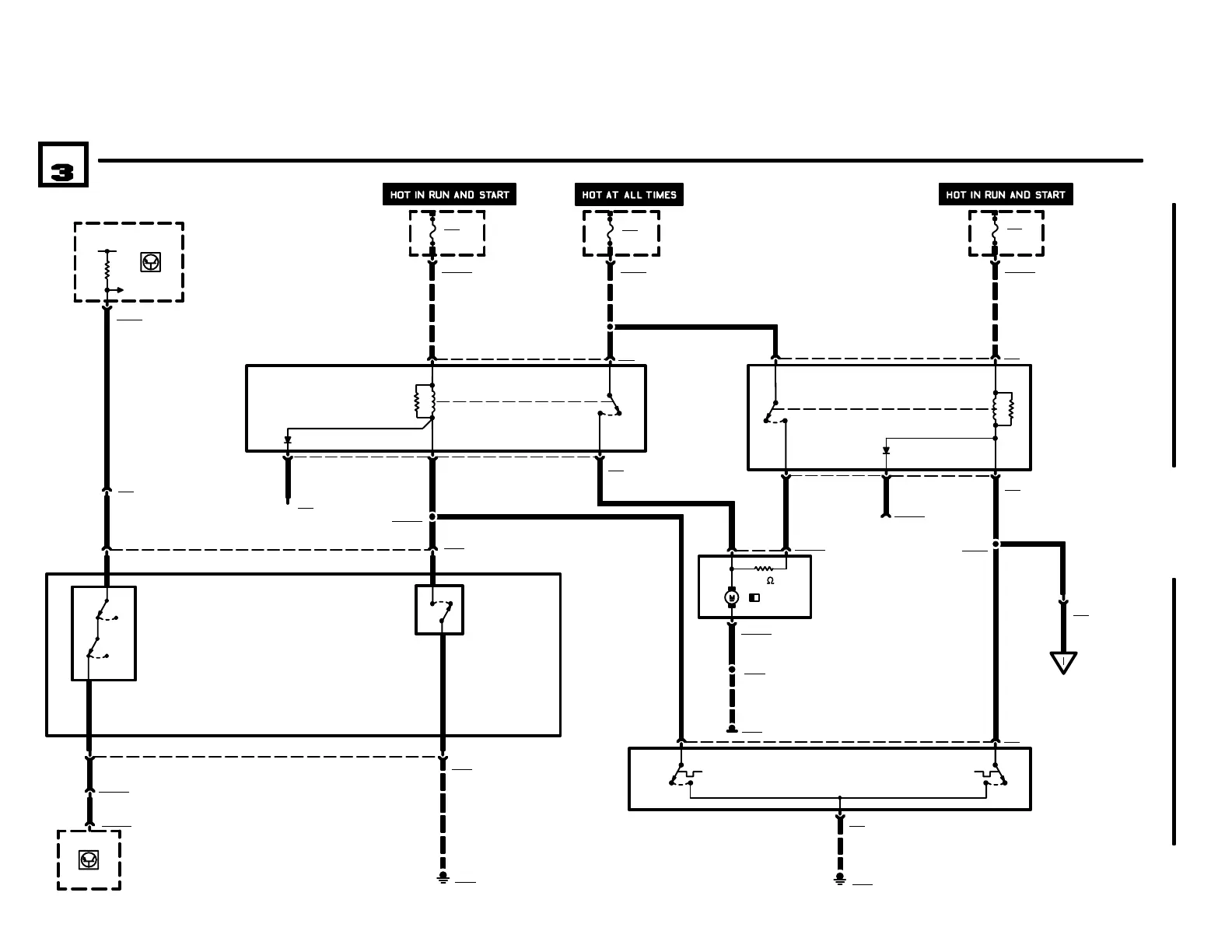
AUXILIARY FAN
04/99
6450.6Ć
1998
08
INTEGRATED HEATING AND CLIMATE CONTROL
.5 SW/GN
X19022
1
B9
INTERMEDIATE
PRESSURE
SWITCH
1) ABOVE 18 BAR
PRESSURE
2) 15 BAR
PRESSURE
30
30
K22
HIGH SPEED
RELAY
K21
NORMAL SPEED
RELAY
X871
.5 SW/GR
2.5 SW/
BL
X1902223
3
M9
AUXILIARY FAN
MOTOR
4 X536
6 X52
4
X1272
86
87a85
87
86
85
X127
3
X165
X1001612
8
2 X528
X15882
FUSE DETAILS
0670.3
X10027
GROUND
DISTRIBUTION
0670.4
.5 SW/GR
16
5
A6000
ENGINE CONTROL
MODULE (DME)
.5 SW/GR
B8y
PRESSURE SWITCH
1) PRESSURE
BELOW 21 BAR
2) PRESSURE
ABOVE 30 BAR
3) PRESSURE
ABOVE 2.6 BAR
4) PRESSURE
BELOW 1.5 BAR
S221
EVAPORATOR
CONTROLLER
.5 VI
1 VI
1
4 X10054
X183505
.5 SW/GE
GROUND
DISTRIBUTION
0670.4
B9508
PRESSURE
SWITCH
.5 SW/GR
4 BL
4
2
X165
GROUND
DISTRIBUTION
0670.4
P90
FRONT POWER
DISTRIBUTION
BOX
X1001612
FUSE DETAILS
0670.3
X166
15
21
X872
F16
5A
12
F48
40A
F16
5A
P97
AUXILIARY FUSE
BOX
FUSE DETAILS
0670.3
0.5
P90
FRONT POWER
DISTRIBUTION
BOX
X6000
5
X20
5
X100546
X354
85b
4 RT/GN
X53
4 RT/GN
.5 SW/GE
X699
2.5 BR
NOT USED
X6949
.5 SW/GN.5 SW/GN
6450.6-06
1.5 GE
S36
TEMPERATURE
SWITCH
1) OPEN
2) ABOVE 99
DEGREES C
3) ABOVE 91
DEGREES C
4) OPEN
85b
.5 SW/RT
3 X20
NOT USED
12
34
43
M ROADSTER

Related product manuals