EasyManua.ls Logo

BMW Z3 E37 1998 - Page 77

BMW Z3 E37 1998
347 pages
Print Icon
To Next Page IconTo Next Page
To Next Page IconTo Next Page
To Previous Page IconTo Previous Page
To Previous Page IconTo Previous Page
Loading...
paragon.myvnc.com
.5 GN
1
BM
BMW
BMWBMW
Z3
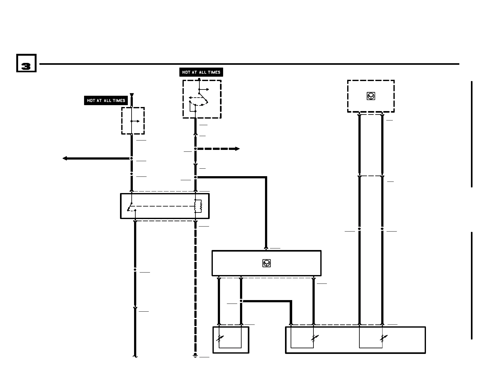
ENGINE CONTROL SYSTEM MS41.1 (6CYLINDER M52/S52)
2.5 GN
15
04/99
1210.17Ć
1998
02
7 X33
POWER
DISTRIBUTION
0670.2
21 X20
49 X6000
2.5 GN
S2
IGNITION SWITCH
0) OFF
1) ACCESSORY
2) RUN
3) START
.75 GN
.5 GN
43
.5 BR/GR
.5 BR/RT
B6256
DUAL
TEMPERATURE
SENSOR
(COOLANT
TEMPERATURE)
1 2 X6205
.5 BR/GR
B6205
INTAKE AIR
TEMPERATURE
SENSOR
.5 GR
14 39
10 X6000
A6000
ENGINE CONTROL
MODULE (DME)
X203
2.5 GN
1 X209
X6832
X8038
2
X6256
X8071 X8051
A2w
INSTRUMENT
CLUSTER
11 12 X20
17 18 X17
.5 BR/GE .5 BR/VI
.5 BR/GE .5 BR/VI
.5 BR/GE .5 BR/VI
.5 BR/GR
B6236
ENGINE COOLANT
TEMPERATURE
SENSOR
B6232
ENGINE COOLANT
TEMPERATURE
SENSOR
2
1
0
3
R
1 X6150
2
4 X6326
K6326
UNLOADER RELAY,
TERMINAL 15
2.5 GN
8 X6326
30
87
X6454
X6830
6
2.5 RT
85
86
2.5 GN
2.5 GN
GROUND
DISTRIBUTION
0670.4
2.5 RT
X6413
X6415
POWER
DISTRIBUTION
0670.2
10 RT
X6432
POWER
DISTRIBUTION
0670.2
G6430
B+ JUMP START
JUNCTION POINT
10 RT

Related product manuals