EasyManua.ls Logo

BMW Z3 E37 1998 - Page 78

BMW Z3 E37 1998
347 pages
Print Icon
To Next Page IconTo Next Page
To Next Page IconTo Next Page
To Previous Page IconTo Previous Page
To Previous Page IconTo Previous Page
Loading...
paragon.myvnc.com
1.5 SW/WS
29
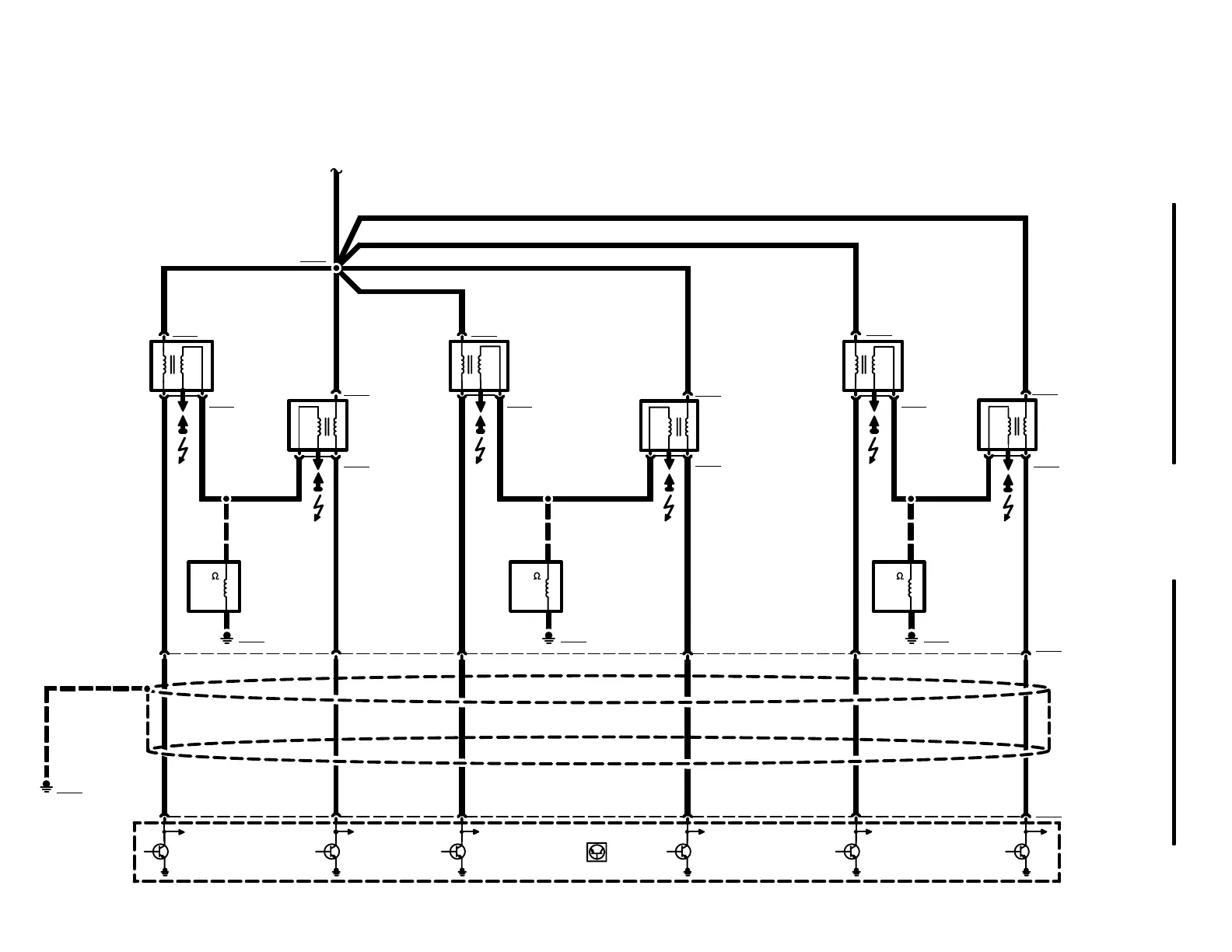
X6454
GROUND
DISTRIBUTION
0670.4
2
04/99
1210.17Ć
1998
03
1
3 X6151
X6456
1 SW/WS
X6152
1
1 GN 1 GN 1 GN
3
3 X6152
1 30 2 31 3 X6000
X6831
T6151
CYL. 1 IGNITION
COIL
T6152
CYL. 2 IGNITION
COIL
W6165
SHIELD UP TO
10mm BEFORE
IGNITION COIL
CONNECTOR
A6000
ENGINE CONTROL
MODULE (DME)
1.5 SW/RT 1.5 SW/GE 1.5 SW/BL
1.5 SW/GN
1.5 SW/VI
1 SW/RT 1 SW/GE 1 SW/BL 1 SW/GN 1 SW/VI
1 GN 1 GN1 GN
X6151
2
2
X6153
X615321
X6154
1
3 X6154
2
T6154
CYL. 4 IGNITION
COIL
3 X6155
X615521
X61561
3 X6156
T6156
CYL. 6 IGNITION
COIL
T6153
CYL. 3 IGNITION
COIL
T6155
CYL. 5 IGNITION
COIL
1 BR 1 BR 1 BR 1 BR 1 BR 1 BR
GROUND
DISTRIBUTION
0670.4
2.5 GN
4 9 7 6 3 10 X6150
31 31 31 31 31 31
R8554
RESISTOR
240
2W
1.5 BR
X6456
GROUND
DISTRIBUTION
0670.4
R8554
RESISTOR
240
2W
1.5 BR
X6456
GROUND
DISTRIBUTION
0670.4
R8554
RESISTOR
240
2W
1.5 BR

Related product manuals