EasyManua.ls Logo

bon BLM Series - Rear Panel

bon BLM Series
34 pages
Print Icon
To Next Page IconTo Next Page
To Next Page IconTo Next Page
To Previous Page IconTo Previous Page
To Previous Page IconTo Previous Page
Loading...
-- 12 --
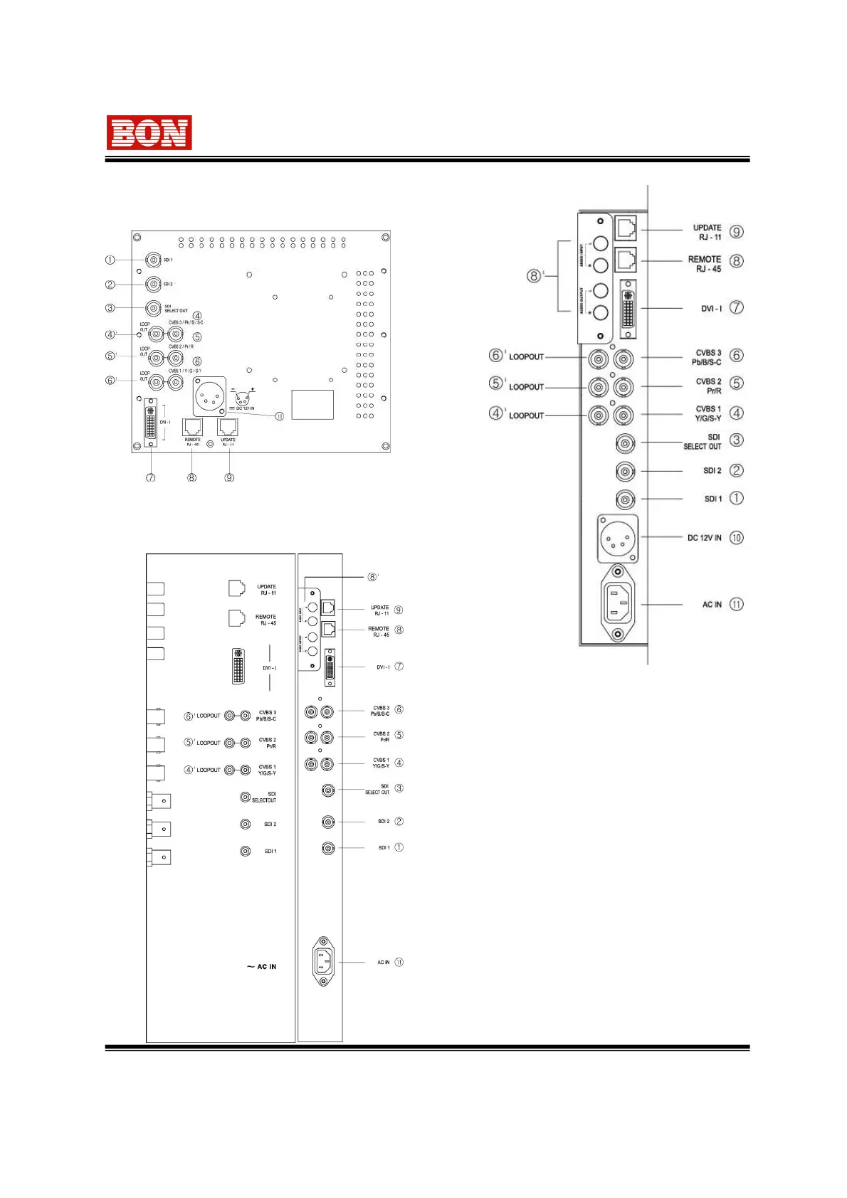
Rear (BLM-084)
Side (BLM-170)
3.2 Rear Panel
Real/Side (BLM-190~550)

Related product manuals